Запчасти Komatsu S6D95L-1U-C ПЕРЕДН. КРЫШКАAND ПРИВОД БЛОК ЦИЛИНДРОВ

Схема запчастей Komatsu S6D95L-1U-C - ПЕРЕДН. КРЫШКАAND ПРИВОД БЛОК ЦИЛИНДРОВ
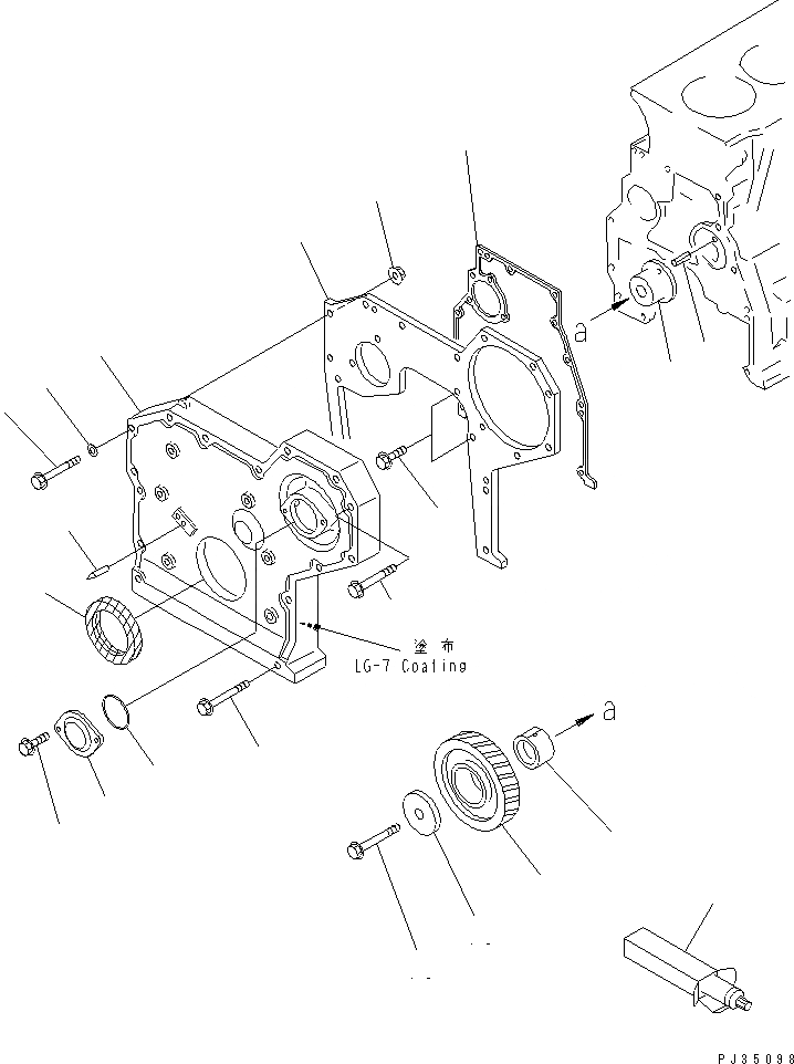
1
2
3
4
5
6
6
7
8
9
10
11
12
13
14
15
16
17
18
19
20
FIT
1:1
100%

Артикул

Название

Примечание

Количество

1

6204-21-3211

PLATE,FRONT

SN: 69729-UP

1шт.

1

0

PLATE,FRONT

SN: 35360-69728

1шт.

2

6206-21-3830

GASKET (K2)

SN: 35360-UP

1шт.

3

01435-20816

BOLT

SN: 35360-UP

2шт.

4

6204-21-3112

COVER,FRONT

SN: 56709-UP

1шт.

4

0

COVER,FRONT

SN: 35360-56708

1шт.

5

6204-21-3850

POINTER

SN: 35360-UP

1шт.

6

01435-20855

BOLT

SN: 35360-UP

13шт.

7

01641-20812

WASHER

SN: 35360-UP

1шт.

8

01584-00806

NUT

SN: 35360-UP

2шт.

9

01435-20870

BOLT

SN: 35360-UP

2шт.

10

6204-21-3510

SEAL, FRONT (K2)

SN: 35360-UP

1шт.

|$12

6206-31-6301

IDLER GEAR ASS'Y

SN: 35360-UP

1шт.

11

0

GEAR,IDLER

SN: 35360-UP

1шт.

12

6204-31-6341

BUSHING

SN: 35360-UP

1шт.

13

6204-31-6331

SHAFT

SN: 35360-UP

1шт.

14

04025-00512

PIN,SPRING

SN: 35360-UP

1шт.

15

6204-31-6350

WASHER

SN: 35360-UP

1шт.

16

01435-01270

BOLT

SN: 35360-UP

1шт.

17

6144-81-5151

COVER

SN: 35360-UP

1шт.

18

07000-03050

O-RING (K2)

SN: 35360-UP

1шт.

19

01435-20616

BOLT

SN: 35360-UP

2шт.

20

09920-00150

LIQUID GASKET,LG-7, 150G

SN: 35360-UP

-2шт.

Выбрано товаров: 23