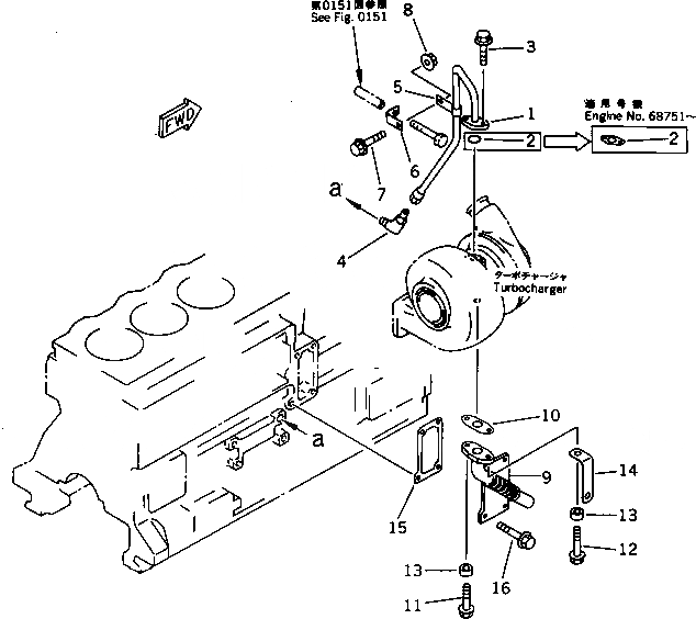
Запчасти Komatsu S6D95L-1U-L ЛИНИЯ СМАЗКИ ТУРБОНАГНЕТАТЕЛЯ СИСТЕМА СМАЗКИ МАСЛ. СИСТЕМА

Схема запчастей Komatsu S6D95L-1U-L - ЛИНИЯ СМАЗКИ ТУРБОНАГНЕТАТЕЛЯ СИСТЕМА СМАЗКИ МАСЛ. СИСТЕМА
FIT
1:1
100%

Артикул

Название

Примечание

Количество

1

6207-51-8131

TUBE,INLET

SN: 68751-UP

1шт.

|1

0

TUBE,INLET

SN: 35360-68750

1шт.

|$$3

(6207-51-8131{6151-51-8710¤}

-1шт.

|$$4

01435-20830(2))

-1шт.

2

6151-51-8710

GASKET (K1)

SN: 68751-UP

1шт.

|2

07000-62018

O-RING (K1)

SN: 35360-68750

1шт.

3

01435-20830

BOLT

SN: 68751-UP

2шт.

|3

01435-20820

BOLT

SN: 35360-68750

2шт.

4

6207-51-8150

ELBOW

SN: 35360-UP

1шт.

5

6207-51-8190

CLIP

SN: 35360-UP

1шт.

6

6207-51-8180

BRACKET

SN: 35360-UP

1шт.

7

01435-20816

BOLT

SN: 35360-UP

1шт.

8

01584-00806

NUT

SN: 35360-UP

1шт.

9

6207-51-8341

TUBE,OUTLET

SN: 35360-UP

1шт.

10

6131-51-7681

GASKET (K1)

SN: 35360-UP

1шт.

11

01435-01035

BOLT

SN: 35360-UP

1шт.

12

01435-01040

BOLT

SN: 35360-UP

1шт.

13

6131-12-5920

SPACER

SN: 35360-UP

2шт.

14

6112-53-7170

PLATE

SN: 35360-UP

1шт.

15

6206-21-6810

GASKET (K2)

SN: 35360-UP

1шт.

16

01435-20816

BOLT

SN: 35360-UP

4шт.

Выбрано товаров: 21