Запчасти Komatsu S6D95L-1U-L СИСТЕМА СМАЗКИ МАСЛООХЛАДИТЕЛЬ(№8-79) СИСТЕМА СМАЗКИ МАСЛ. СИСТЕМА

Схема запчастей Komatsu S6D95L-1U-L - СИСТЕМА СМАЗКИ МАСЛООХЛАДИТЕЛЬ(№8-79) СИСТЕМА СМАЗКИ МАСЛ. СИСТЕМА
FIT
1:1
100%

Артикул

Название

Примечание

Количество

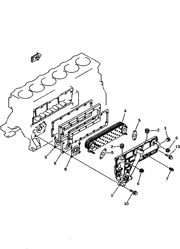
1

6207-61-5110

COVER ASS'Y

SN: 35360-72459

1шт.

2

6204-61-5170

PLUG

SN: 35360-@

2шт.

3

6206-61-5170

PLUG

SN: 35360-@

1шт.

4

600-651-1550

ELEMENT

SN: 68300-@

1шт.

5

6204-61-5190

GASKET (K2)

SN: 35360-@

2шт.

6

01584-00806

NUT

SN: 35360-@

4шт.

7

07042-20312

PLUG

SN: 35360-@

1шт.

8

6207-61-5290

SPACER

SN: 68300-72459

1шт.

9

6207-61-5311

GASKET (K2)

SN: 68300-72459

2шт.

10

01435-20840

BOLT

SN: 68300-@

18шт.

Выбрано товаров: 10