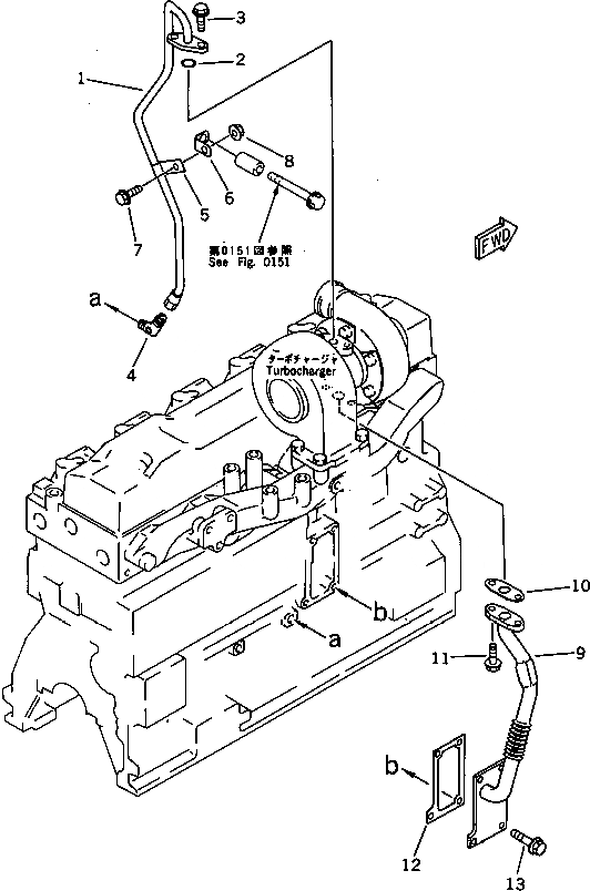
Запчасти Komatsu S6D95L-1W ЛИНИЯ СМАЗКИ ТУРБОНАГНЕТАТЕЛЯ(№8-) СИСТЕМА СМАЗКИ МАСЛ. СИСТЕМА

Схема запчастей Komatsu S6D95L-1W - ЛИНИЯ СМАЗКИ ТУРБОНАГНЕТАТЕЛЯ(№8-) СИСТЕМА СМАЗКИ МАСЛ. СИСТЕМА
FIT
1:1
100%

Артикул

Название

Примечание

Количество

1

6207-51-8120

PIPE,INLET

SN: 36830-UP

1шт.

2

07000-62018

O-RING (K1)

SN: 36830-UP

1шт.

3

01435-20820

BOLT

SN: 36830-UP

2шт.

4

6207-51-8150

ELBOW

SN: 36830-UP

1шт.

5

6207-51-8190

CLIP

SN: 36830-UP

1шт.

6

6207-51-8180

BRACKET

SN: 36830-UP

1шт.

7

01435-20816

BOLT

SN: 36830-UP

1шт.

8

01584-00806

NUT

SN: 36830-UP

1шт.

9

6207-51-8360

PIPE,OUTLET

SN: 36830-UP

1шт.

10

6131-51-7681

GASKET (K1)

SN: 36830-UP

1шт.

11

01435-20820

BOLT

SN: 36830-UP

2шт.

12

6206-21-6810

GASKET (K2)

SN: 36830-UP

1шт.

13

01435-20816

BOLT

SN: 36830-UP

4шт.

Выбрано товаров: 13