Запчасти Komatsu S6D95L-1W СИСТЕМА СМАЗКИ МАСЛООХЛАДИТЕЛЬ(№-) СИСТЕМА СМАЗКИ МАСЛ. СИСТЕМА

Схема запчастей Komatsu S6D95L-1W - СИСТЕМА СМАЗКИ МАСЛООХЛАДИТЕЛЬ(№-) СИСТЕМА СМАЗКИ МАСЛ. СИСТЕМА
FIT
1:1
100%

Артикул

Название

Примечание

Количество

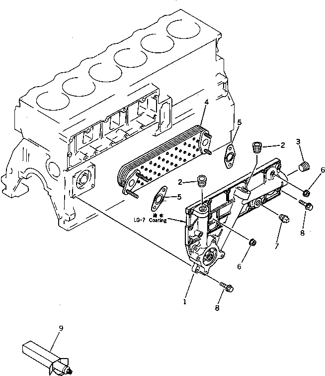
1

6207-61-5110

COVER ASS'Y

SN: 15060-@

1шт.

2

6204-61-5170

PLUG

SN: 15060-@

2шт.

3

6206-61-5170

PLUG

SN: 15060-@

1шт.

4

600-651-1520

ELEMENT

SN: 15060-@

1шт.

5

6204-61-5190

GASKET (K2)

SN: 15060-@

2шт.

6

01584-00806

NUT

SN: 24831-@

4шт.

|6

01584-10806

NUT

SN: 15060-24830

4шт.

7

07042-20312

PLUG

SN: 15060-@

1шт.

8

01435-20825

BOLT

SN: 15060-@

18шт.

9

09920-00150

LIQUID GASKET,LG-7¤ 150G

SN: 15060-52245

-2шт.

Выбрано товаров: 10