Запчасти Komatsu S6D95L-1W БЛОК ЦИЛИНДРОВ(№8-) БЛОК ЦИЛИНДРОВ

Схема запчастей Komatsu S6D95L-1W - БЛОК ЦИЛИНДРОВ(№8-) БЛОК ЦИЛИНДРОВ
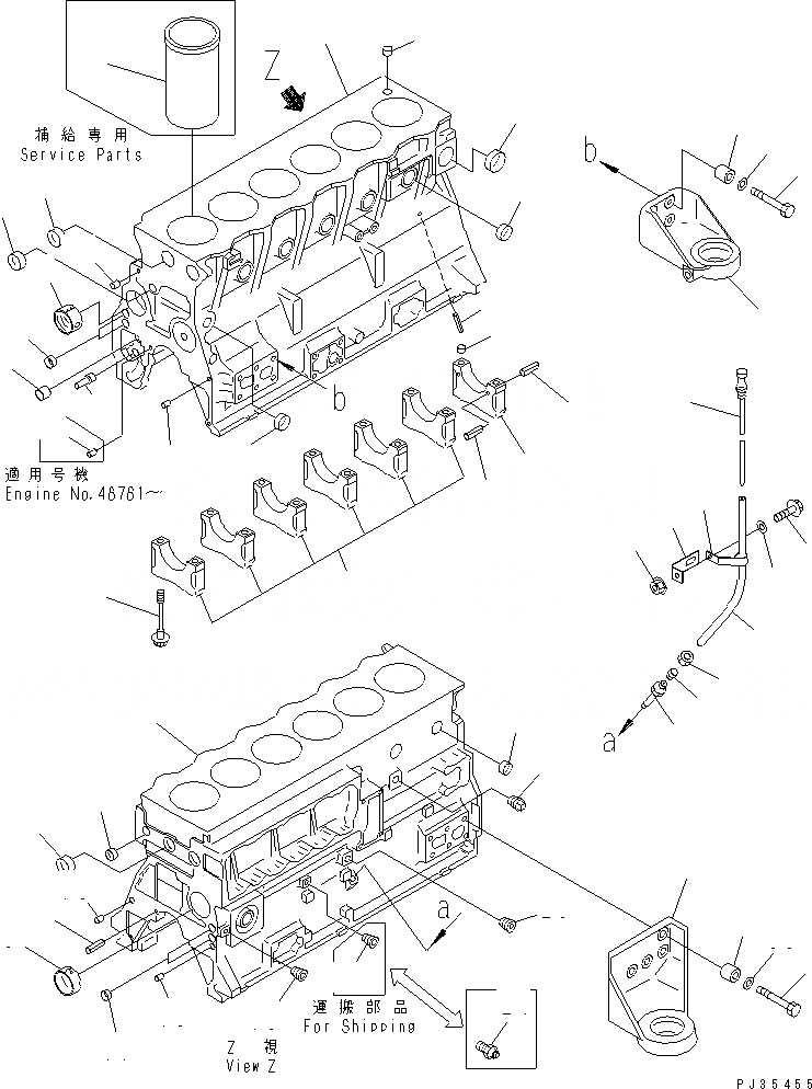
1
1
2
3
4
5
6
7
7
7
7
8
9
10
11
11
12
12
13
14
15
15
16
16
16
16
17
18
19
19
20
21
22
23
24
25
26
27
28
29
30
31
32
33
34
35
36
37
37
38
38
39
39
40
FIT
1:1
100%

Артикул

Название

Примечание

Количество

|$0

6207-21-1102

CYLINDER BLOCK ASS'Y

SN: 48781-UP

1шт.

|$1

0

CYLINDER BLOCK ASS'Y

SN: 36830-48780

1шт.

1

0

BLOCK,CYLINDER

SN: 36830-UP

1шт.

2

6204-21-1410

BUSHING,CAMSHAFT

SN: 36830-UP

1шт.

3

6206-21-1420

BUSHING,CAMSHAFT

SN: 36830-UP

3шт.

4

6204-29-1210

CAP,MAIN METAL, NO.1,2,3,4,5,6

SN: 36830-UP

6шт.

5

6204-29-1220

CAP,MAIN METAL, NO.7

SN: 36830-UP

1шт.

6

6141-21-1530

RING,DOWEL

SN: 36830-UP

2шт.

7

04025-00408

PIN,SPRING

SN: 36830-UP

6шт.

8

6204-21-1610

BOLT,MAIN CAP

SN: 36830-UP

14шт.

9

6204-51-1711

BUSHING,OIL PUMP

SN: 48781-UP

1шт.

9

0

BUSHING,OIL PUMP

SN: 36830-48780

1шт.

10

6204-51-1620

SHAFT,OIL PUMP

SN: 36830-UP

1шт.

11

07046-41810

PLUG

SN: 36830-UP

4шт.

12

04020-00820

PIN,DOWEL

SN: 36830-UP

2шт.

13

6136-52-1620

PIN,OIL PUMP

SN: 48781-UP

1шт.

14

07046-42216

PLUG

SN: 36830-UP

1шт.

15

04020-01228

PIN,DOWEL

SN: 36830-UP

2шт.

16

07046-43016

PLUG

SN: 48781-UP

9шт.

16

07046-43016

PLUG

SN: 36830-48780

8шт.

17

07046-42516

PLUG

SN: 48781-UP

7шт.

17

07046-42516

PLUG

SN: 36830-48780

6шт.

18

07042-10312

PLUG

SN: 36830-UP

1шт.

19

07043-50108

PLUG

SN: 36830-UP

5шт.

20

07043-50211

PLUG

SN: 36830-UP

1шт.

21

6140-21-1130

BUSHING,DOWEL

SN: 36830-UP

2шт.

22

6207-21-1190

PIN

SN: 36830-UP

6шт.

23

07046-44016

PLUG

SN: 36830-UP

1шт.

24

08073-00505

SWITCH

SN: 36830-UP

1шт.

25

6204-21-5510

GUIDE,BASE

SN: 36830-UP

1шт.

26

6150-21-5930

NUT

SN: 36830-UP

1шт.

27

6150-21-5920

COLLAR

SN: 36830-UP

1шт.

28

6206-21-5420

GUIDE,OIL GAUGE

SN: 36830-UP

1шт.

29

6206-21-5321

GAUGE,OIL

SN: 36830-UP

1шт.

30

6136-71-5730

BRACKET

SN: 36830-UP

1шт.

31

6206-21-5510

CLIP

SN: 36830-UP

1шт.

32

01435-20816

BOLT

SN: 36830-UP

1шт.

33

01642-20810

WASHER

SN: 36830-UP

1шт.

34

01584-20806

NUT

SN: 36830-UP

1шт.

35

21K-01-33110

BRACKET,L.H.

SN: 60462-UP

1шт.

35

0

BRACKET,L.H.

SN: 36830-60461

1шт.

36

21K-01-22110

BRACKET,R.H.

SN: 36830-UP

1шт.

37

6631-11-5630

SPACER

SN: 36830-UP

8шт.

38

01010-51050

BOLT

SN: 36830-UP

8шт.

39

01643-31032

WASHER

SN: 36830-UP

8шт.

40

6207-21-2110

LINER (MARK A),CYLINDER

SN: 36830-UP

-2шт.

40

6207-21-2120

LINER (MARK B),CYLINDER

SN: 36830-UP

-2шт.

Выбрано товаров: 47