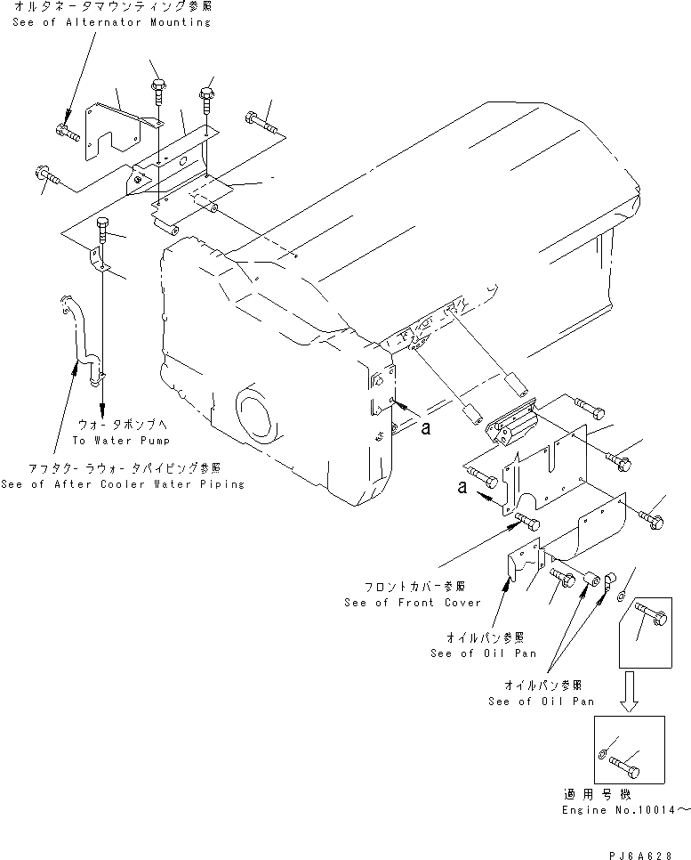
Запчасти Komatsu SA12V140-1A-80 ЗАЩИТА (ПРИВОД ТОПЛ. НАСОСА)(№-) ДВИГАТЕЛЬ

Схема запчастей Komatsu SA12V140-1A-80 - ЗАЩИТА (ПРИВОД ТОПЛ. НАСОСА)(№-) ДВИГАТЕЛЬ
1
2
3
3
4
5
6
6
7
8
9
10
11
12
13
14
14
14
FIT
1:1
100%

Артикул

Название

Примечание

Количество

1

6215-71-2633

COVER,L.H.

SN: 10202-@

1шт.

|1

0

COVER,L.H.

SN: 10001-10201

1шт.

2

6215-71-2641

COVER,L.H.

SN: 10001-@

1шт.

3

01435-01016

BOLT

SN: 10001-10201

6шт.

4

01010-81020

BOLT

SN: 10001-10201

1шт.

5

10643-31032

WASHER

SN: 10014-@

1шт.

|5

01642-01016

WASHER

SN: 10001-10013

1шт.

6

01010-81045

BOLT

SN: 10014-@

1шт.

|6

01435-01040

BOLT

SN: 10001-10013

1шт.

7

01643-31032

WASHER

SN: 10014-@

1шт.

8

6215-71-2681

BRACKET,R.H.

SN: 10001-@

1шт.

9

01011-51000

BOLT

SN: 10001-@

2шт.

10

6215-71-2623

COVER,R.H.

SN: 10037-@

1шт.

|10

0

COVER,R.H.

SN: 10001-10036

1шт.

11

6215-71-2611

COVER,R.H.

SN: 10001-@

1шт.

12

6215-71-2710

STAY

SN: 10001-@

1шт.

13

01010-81025

BOLT

SN: 10001-@

1шт.

14

01435-01016

BOLT

SN: 10001-@

5шт.

Выбрано товаров: 18