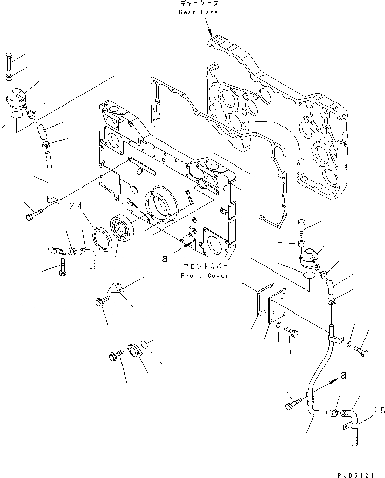
Запчасти Komatsu SA12V140-1A-80 САПУН И ПЕРЕДН. УПЛОТНЕНИЕ(№89-) ДВИГАТЕЛЬ

Схема запчастей Komatsu SA12V140-1A-80 - САПУН И ПЕРЕДН. УПЛОТНЕНИЕ(№89-) ДВИГАТЕЛЬ
1
1
2
2
3
3
4
4
5
5
6
6
6
6
7
7
8
8
9
10
10
10
11
12
13
14
15
16
17
18
19
20
21
22
23
FIT
1:1
100%

Артикул

Название

Примечание

Количество

1

6210-21-8711

BREATHER

SN: 11893-UP

2шт.

2

6631-11-5630

SPACER

SN: 11893-UP

4шт.

3

01010-81040

BOLT

SN: 11893-UP

4шт.

4

07000-72060

O-RING (K2)

SN: 12481-UP

2шт.

|4

0

O-RING (K2)

SN: 11893-12480

2шт.

5

6130-61-6611

HOSE

SN: 11893-UP

2шт.

6

07285-00260

CLIP

SN: 11893-UP

4шт.

7

07287-01912

HOSE

SN: 11893-UP

2шт.

8

07285-00220

CLIP

SN: 11893-UP

2шт.

9

6215-21-8770

TUBE

SN: 11893-UP

1шт.

10

01010-81220

BOLT

SN: 11893-UP

3шт.

11

6215-21-8780

TUBE

SN: 11893-UP

1шт.

12

01010-81030

BOLT

SN: 11893-UP

1шт.

13

01643-31032

WASHER

SN: 11893-UP

1шт.

14

6215-71-3721

COVER

SN: 11893-UP

1шт.

15

6215-81-6190

GASKET (K2)

SN: 11893-UP

1шт.

16

01010-81025

BOLT

SN: 11893-UP

3шт.

17

01643-31032

WASHER

SN: 11893-UP

3шт.

18

6215-21-3350

POINTER

SN: 11893-UP

1шт.

19

01435-00610

BOLT

SN: 12482-UP

2шт.

|19

0

BOLT

SN: 11893-12481

2шт.

20

6216-21-3170

SEAL¤ FRONT (K2)

SN: 12733-UP

1шт.

|20

0

SEAL¤ FRONT (K2)

SN: 11893-12732

1шт.

21

6144-81-5151

COVER

SN: 11893-UP

1шт.

22

07000-03050

O-RING (K2)

SN: 11893-UP

1шт.

23

01435-00612

BOLT

SN: 12482-UP

2шт.

|23

0

BOLT

SN: 11893-12481

2шт.

Выбрано товаров: 27