Запчасти Komatsu SA12V140-1A-A ТРУБОПРОВОД ВПУСКА ВОЗДУХА И ПОСЛЕОХЛАДИТЕЛЬ (/) (ЛЕВ. ГРУПП.)(№-9) ДВИГАТЕЛЬ

Схема запчастей Komatsu SA12V140-1A-A - ТРУБОПРОВОД ВПУСКА ВОЗДУХА И ПОСЛЕОХЛАДИТЕЛЬ (/) (ЛЕВ. ГРУПП.)(№-9) ДВИГАТЕЛЬ
1
2
3
4
5
5
6
7
7
8
9
10
10
10
10
10
10
11
11
12
13
14
14
14
14
15
15
15
15
15
15
16
16
16
16
17
18
19
20
21
22
23
23
24
1
2
3
4
5
5
6
7
7
8
9
10
10
10
10
10
10
11
11
12
13
14
14
14
14
15
15
15
15
15
15
16
16
16
16
17
18
19
20
21
22
23
23
24
FIT
1:1
100%

Артикул

Название

Примечание

Количество

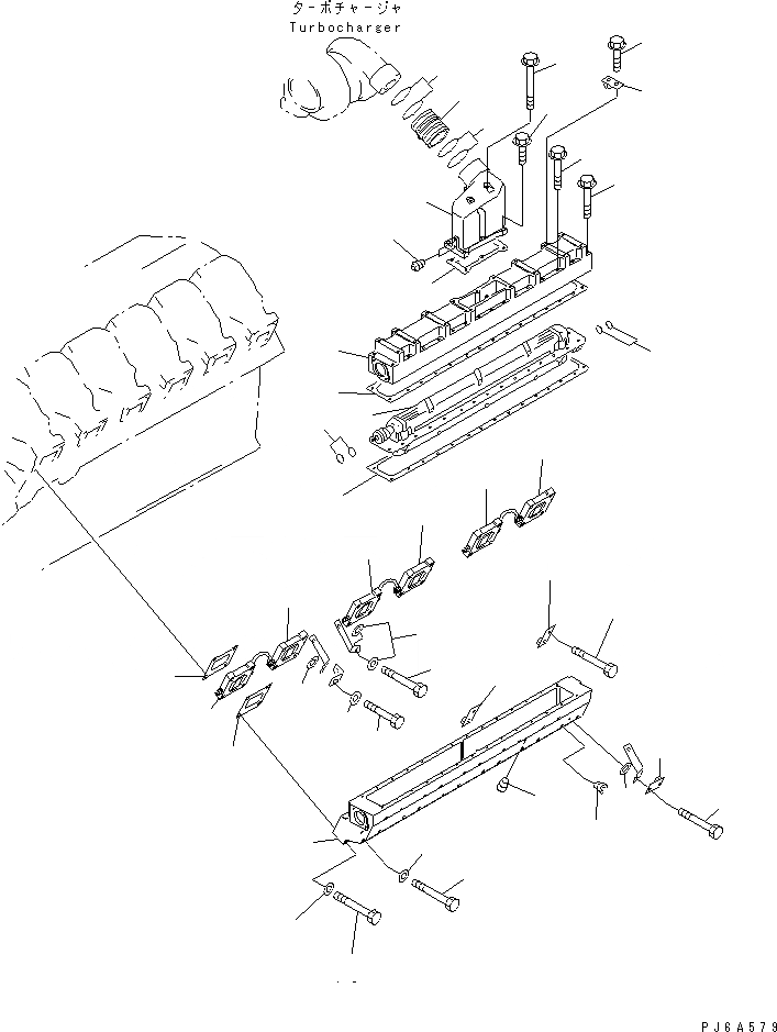
1

6215-11-4110

MANIFOLD,AIR INTAKE

SN: 10001-@

1шт.

2

07043-50108

PLUG

SN: 10001-@

2шт.

3

07043-50108

PLUG

SN: 10001-@

1шт.

4

6212-61-6121

CORE

SN: 10290-@

1шт.

|4

0

CORE

SN: 10001-10289

1шт.

5

6212-61-6431

O-RING (K1)

SN: 10909-@

4шт.

|5

0

O-RING (K1)

SN: 10001-10908

4шт.

6

6215-11-4210

COVER

SN: 10001-@

1шт.

7

6215-15-4710

GASKET (K1)

SN: 10909-@

2шт.

|7

0

GASKET (K1)

SN: 10001-10908

2шт.

8

01435-00890

BOLT

SN: 10001-@

26шт.

9

01436-01000

BOLT

SN: 10001-@

4шт.

10

600-815-4291

HEATER,RIBBON

SN: 10001-@

6шт.

|10

0

HEATER,RIBBON

SN: (10001-10676)

6шт.

11

6210-11-4811

GASKET (K1)

SN: 10449-@

12шт.

|11

0

GASKET (K1)

SN: 10001-10448

12шт.

12

01011-81060

BOLT

SN: 10001-@

12шт.

13

01011-81000

BOLT

SN: 10202-@

7шт.

14

01011-81005

BOLT

SN: 10202-11091

5шт.

15

01643-31032

WASHER

SN: 10202-11091

26шт.

16

426-01-11310

BRACKET

SN: 10202-@

4шт.

17

6215-11-4320

CONNECTOR,AIR L.H.

SN: 10001-@

1шт.

18

07042-70108

PLUG

SN: 10001-@

2шт.

19

6212-11-4721

GASKET (K1)

SN: 10909-@

1шт.

|19

0

GASKET (K1)

SN: 10001-10908

1шт.

20

01435-01035

BOLT

SN: 10001-@

4шт.

21

01436-01080

BOLT

SN: 10001-@

2шт.

22

6211-11-4410

CONNECTOR

SN: 10001-@

1шт.

23

02895-77075

O-RING (K1)

SN: 10909-@

4шт.

|23

0

O-RING (K1)

SN: 10001-10908

4шт.

24

01435-21020

BOLT

SN: 10202-11091

1шт.

1

6215-11-4110

MANIFOLD,AIR INTAKE

SN: 10001-@

1шт.

2

07043-50108

PLUG

SN: 10001-@

2шт.

3

07043-50108

PLUG

SN: 10001-@

1шт.

4

6212-61-6121

CORE

SN: 10290-@

1шт.

|4

0

CORE

SN: 10001-10289

1шт.

5

6212-61-6431

O-RING (K1)

SN: 10909-@

4шт.

|5

0

O-RING (K1)

SN: 10001-10908

4шт.

6

6215-11-4210

COVER

SN: 10001-@

1шт.

7

6215-15-4710

GASKET (K1)

SN: 10909-@

2шт.

|7

0

GASKET (K1)

SN: 10001-10908

2шт.

8

01435-00890

BOLT

SN: 10001-@

26шт.

9

01436-01000

BOLT

SN: 10001-@

4шт.

10

600-815-4291

HEATER,RIBBON

SN: 10001-@

6шт.

|10

0

HEATER,RIBBON

SN: (10001-10676)

6шт.

11

6210-11-4811

GASKET (K1)

SN: 10449-@

12шт.

|11

0

GASKET (K1)

SN: 10001-10448

12шт.

12

01011-81060

BOLT

SN: 10001-@

12шт.

13

01011-81000

BOLT

SN: 10202-@

7шт.

14

01011-81005

BOLT

SN: 10202-11091

5шт.

15

01643-31032

WASHER

SN: 10202-11091

26шт.

16

426-01-11310

BRACKET

SN: 10202-@

4шт.

17

6215-11-4320

CONNECTOR,AIR L.H.

SN: 10001-@

1шт.

18

07042-70108

PLUG

SN: 10001-@

2шт.

19

6212-11-4721

GASKET (K1)

SN: 10909-@

1шт.

|19

0

GASKET (K1)

SN: 10001-10908

1шт.

20

01435-01035

BOLT

SN: 10001-@

4шт.

21

01436-01080

BOLT

SN: 10001-@

2шт.

22

6211-11-4410

CONNECTOR

SN: 10001-@

1шт.

23

02895-77075

O-RING (K1)

SN: 10909-@

4шт.

|23

0

O-RING (K1)

SN: 10001-10908

4шт.

24

01435-21020

BOLT

SN: 10202-11091

1шт.

Выбрано товаров: 62