Запчасти Komatsu SA12V140-1C-A КОРОМЫСЛО И КОЖУХ (ДЛЯ ЭЛЕКТРИЧ. РЕГУЛЯТОРА)(№-) ДВИГАТЕЛЬ

Схема запчастей Komatsu SA12V140-1C-A - КОРОМЫСЛО И КОЖУХ (ДЛЯ ЭЛЕКТРИЧ. РЕГУЛЯТОРА)(№-) ДВИГАТЕЛЬ
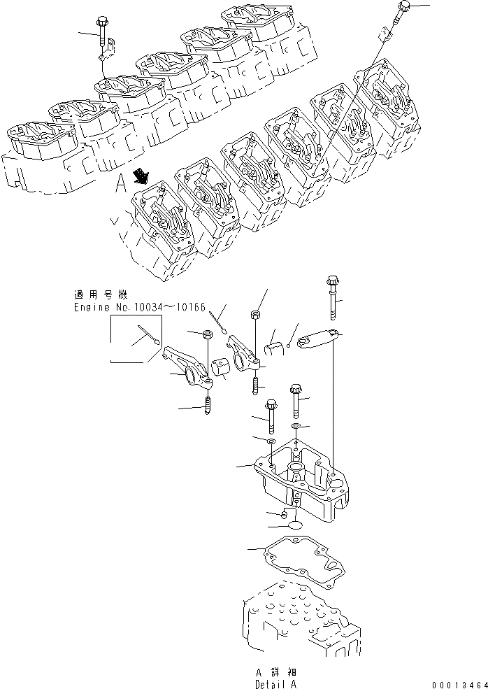
1
2
3
4
5
6
7
7
8
9
10
11
12
13
14
15
16
17
18
19
20
21
22
FIT
1:1
100%

Артикул

Название

Примечание

Количество

|1

6210-11-7100

HOUSING ASS'Y

SN: 10034-@

12шт.

1

0

HOUSING,ROCKER ARM

SN: 10034-@

1шт.

2

07046-41008

PLUG

SN: 10034-@

3шт.

3

6210-11-7130

O-RING (K1)

SN: 10034-10356

12шт.

4

6210-11-7811

GASKET (K1)

SN: 10034-@

12шт.

|4

0

GASKET (K1)

SN: (10034-10356)

12шт.

5

6210-81-8140

BOLT

SN: 10034-@

34шт.

6

01643-51032

WASHER

SN: 10034-@

34шт.

7

01437-01085

BOLT

SN: 10034-@

2шт.

8

01437-01280

BOLT

SN: 10034-@

12шт.

9

01643-51232

WASHER

SN: 10034-@

12шт.

|10

6215-41-5400

ROCKER ARM ASS'Y

SN: 10034-@

12шт.

10

0

ARM,INTAKE

SN: 10034-@

1шт.

11

6162-43-5340

RIVET

SN: 10034-@

1шт.

12

6215-41-5420

BUSHING

SN: 10034-@

1шт.

13

6150-41-5540

SCREW

SN: 10034-@

12шт.

14

01582-01008

NUT

SN: 10034-@

12шт.

|15

6215-41-5500

ROCKER ARM ASS'Y

SN: 10167-@

12шт.

|15

0

ARM ASS'Y

SN: 10034-10166

12шт.

15

0

ARM,EXHAUST

SN: 10034-@

1шт.

16

6162-43-5340

RIVET

SN: 10034-10166

1шт.

17

6210-41-5420

BUSHING

SN: 10034-@

1шт.

18

6150-41-5540

SCREW

SN: 10034-@

12шт.

19

01582-01008

NUT

SN: 10034-@

12шт.

|20

6210-41-5302

ROCKER ARM SHAFT A.

SN: 10034-@

12шт.

|20

0

ROCKER ARM SHAFT A.

SN: (10034-10165)

12шт.

20

0

SHAFT

SN: 10166-@

1шт.

|20

0

SHAFT

SN: 10034-10165

1шт.

21

6150-81-8420

BALL

SN: 10034-@

1шт.

22

6210-81-8310

BOLT

SN: 10034-@

24шт.

Выбрано товаров: 30