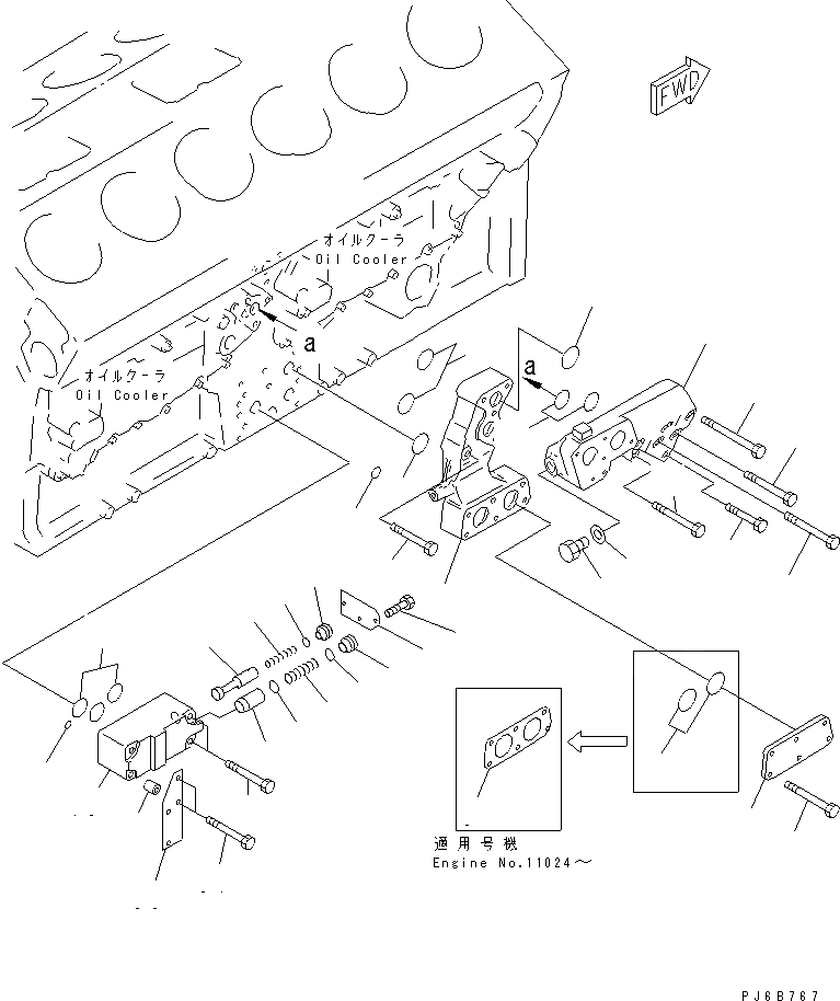
Запчасти Komatsu SA12V140-1C-A МАСЛ. АДАПТЕР(№7-) ДВИГАТЕЛЬ

Схема запчастей Komatsu SA12V140-1C-A - МАСЛ. АДАПТЕР(№7-) ДВИГАТЕЛЬ
1
2
3
3
4
5
5
6
7
8
9
10
11
12
13
14
15
16
17
18
19
20
21
22
23
24
25
26
27
28
29
30
31
32
33
34
35
FIT
1:1
100%

Артикул

Название

Примечание

Количество

1

6215-51-5330

CONNECTOR

SN: 11024-UP

1шт.

1

6215-51-5310

CONNECTOR

SN: 10034-11023

1шт.

2

07000-72018

O-RING (K2)

SN: 10034-UP

1шт.

3

07000-63042

O-RING (K2)

SN: 10034-UP

3шт.

4

01010-81065

BOLT

SN: 10034-UP

1шт.

5

6215-51-5490

GASKET (K2)

SN: 11024-UP

1шт.

5

07000-63048

O-RING (K2)

SN: 10357-11023

2шт.

6

6215-51-5481

COVER

SN: 11024-UP

1шт.

6

0

COVER

SN: 10357-11023

1шт.

|$$10

(6215-51-5481,6215-51-5490)

-1шт.

7

01010-81080

BOLT

SN: 10357-UP

6шт.

8

6215-51-5340

CONNECTOR

SN: 11024-UP

1шт.

8

6215-51-5720

CONNECTOR

SN: 10357-11023

1шт.

9

07040-12012

PLUG

SN: 10357-UP

1шт.

10

07002-22034

O-RING (K2)

SN: 10357-UP

1шт.

11

07000-73040

O-RING (K2)

SN: 11024-UP

2шт.

11

0

O-RING (K2)

SN: 10034-11023

2шт.

12

07000-73045

O-RING (K2)

SN: 11024-UP

1шт.

12

07000-63042

O-RING (K2)

SN: 10034-11023

1шт.

13

01436-01020

BOLT

SN: 10357-UP

3шт.

14

01436-01000

BOLT

SN: 10357-UP

1шт.

15

01435-01040

BOLT

SN: 11024-UP

1шт.

15

01435-01035

BOLT

SN: 10357-11023

1шт.

16

01436-01010

BOLT

SN: 10357-UP

1шт.

17

01435-01055

BOLT

SN: 11024-UP

1шт.

17

01435-01050

BOLT

SN: 10357-11023

1шт.

|$27

6215-51-5601

VALVE ASS'Y

SN: 11024-UP

1шт.

|$28

6215-51-5501

VALVE ASS'Y

SN: 10034-11023

1шт.

18

0

BODY

SN: 10034-UP

1шт.

19

6215-51-5550

VALVE

SN: 10034-UP

1шт.

20

6215-51-5560

SPRING

SN: 10034-UP

1шт.

21

6215-51-5571

PLUG

SN: 10034-UP

1шт.

22

07000-72018

O-RING

SN: 10034-UP

1шт.

23

6215-51-1730

VALVE

SN: 10034-UP

1шт.

24

6215-51-1791

SPRING

SN: 11024-UP

1шт.

24

6215-51-5580

SPRING

SN: 10034-11023

1шт.

25

11T-27-11190

SHIM, 1.0MM

SN: 10034-UP

1шт.

26

6215-51-5591

PLUG

SN: 10034-UP

1шт.

27

07000-73022

O-RING

SN: 10034-UP

1шт.

28

6215-51-5540

COVER

SN: 10034-UP

1шт.

29

01010-80812

BOLT

SN: 10034-UP

3шт.

30

07000-73038

O-RING (K2)

SN: 10034-UP

3шт.

31

07000-72018

O-RING (K2)

SN: 10034-UP

1шт.

32

01010-81090

BOLT

SN: 10034-UP

2шт.

33

6215-61-7440

STAY

SN: 10034-UP

1шт.

34

01011-81010

BOLT

SN: 10034-UP

2шт.

35

6631-11-5630

SPACER

SN: 10034-UP

2шт.

Выбрано товаров: 47