Запчасти Komatsu SA12V140-1C-A ТРУБОПРОВОД ВПУСКА ВОЗДУХА И ПОСЛЕОХЛАДИТЕЛЬ (ПРАВ. ГРУПП.)(№-) ДВИГАТЕЛЬ

Схема запчастей Komatsu SA12V140-1C-A - ТРУБОПРОВОД ВПУСКА ВОЗДУХА И ПОСЛЕОХЛАДИТЕЛЬ (ПРАВ. ГРУПП.)(№-) ДВИГАТЕЛЬ
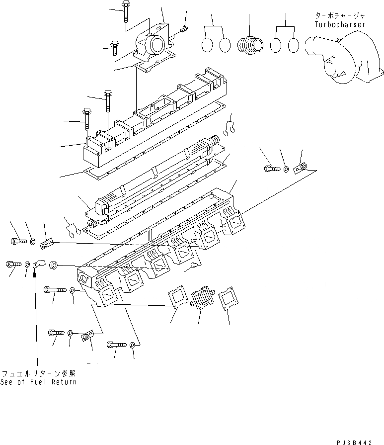
1
2
3
4
4
5
6
6
7
8
9
10
10
11
12
13
14
14
14
15
15
15
16
16
16
17
18
19
20
21
22
23
23
24
24
24
FIT
1:1
100%

Артикул

Название

Примечание

Количество

1

6215-11-4110

MANIFOLD,AIR INTAKE

SN: 10034-@

1шт.

2

07043-50108

PLUG

SN: 10034-10165

3шт.

3

6212-61-6120

CORE

SN: 10034-10165

1шт.

4

6212-61-6430

O-RING (K1)

SN: 10034-@

4шт.

5

6215-11-4210

COVER

SN: 10034-@

1шт.

6

6212-11-4710

GASKET (K1)

SN: 10034-@

2шт.

7

01435-00890

BOLT

SN: 10034-@

26шт.

8

01436-01000

BOLT

SN: 10034-@

4шт.

9

600-815-4290

HEATER,RIBBON

SN: 10034-@

6шт.

10

6210-11-4810

GASKET (K1)

SN: 10034-@

12шт.

11

01011-81060

BOLT

SN: 10034-10165

12шт.

12

01011-81000

BOLT

SN: 10034-@

8шт.

13

01011-81005

BOLT

SN: 10034-10165

1шт.

14

01011-81000

BOLT

SN: 10059-10165

3шт.

14

01011-81005

BOLT

SN: 10034-10058

3шт.

15

01643-31032

WASHER

SN: 10059-10165

21шт.

15

01640-21016

WASHER

SN: 10034-10058

21шт.

16

01643-31032

WASHER

SN: 10059-10165

3шт.

16

6685-11-5230

WASHER

SN: 10034-10058

3шт.

17

6215-11-4320

CONNECTOR,AIR

SN: 10034-@

1шт.

18

07042-70108

PLUG

SN: 10034-@

2шт.

19

6212-11-4720

GASKET (K1)

SN: 10034-@

1шт.

20

01435-01035

BOLT

SN: 10034-@

4шт.

21

01436-01080

BOLT

SN: 10034-@

2шт.

22

6211-11-4410

CONNECTOR

SN: 10034-@

1шт.

23

6161-11-4720

O-RING (K1)

SN: 10034-@

4шт.

24

426-01-11310

BRACKET

SN: 10034-10165

3шт.

Выбрано товаров: 27