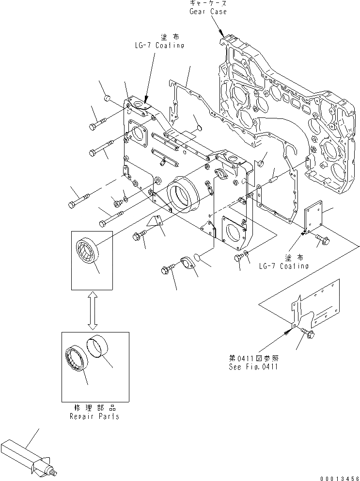
Запчасти Komatsu SA12V140-1C-A ПЕРЕДН. КРЫШКА(ДЛЯ ЭЛЕКТРИЧ. РЕГУЛЯТОРА)(№-) ДВИГАТЕЛЬ

Схема запчастей Komatsu SA12V140-1C-A - ПЕРЕДН. КРЫШКА(ДЛЯ ЭЛЕКТРИЧ. РЕГУЛЯТОРА)(№-) ДВИГАТЕЛЬ
1
2
3
4
5
6
7
8
9
10
11
12
13
14
15
16
17
17
18
19
20
21
21
22
23
24
FIT
1:1
100%

Артикул

Название

Примечание

Количество

|$1

6215-21-3010

FRONT COVER ASS'Y

SN: 10034-10165

1шт.

1

0

COVER

SN: 10034-10165

1шт.

2

07046-11816

PLUG

SN: 10034-@

9шт.

3

07040-12414

PLUG

SN: 10034-@

1шт.

4

07005-02416

SEAL, WASHER

SN: 10034-@

1шт.

5

07040-11007

PLUG

SN: 10034-@

2шт.

6

07005-01012

SEAL, WASHER

SN: 10034-@

2шт.

7

6215-21-3811

GASKET (K2)

SN: 10034-@

1шт.

7

0

GASKET (K2)

SN: (10034-10165)

1шт.

8

04020-01434

PIN,DOWEL

SN: 10034-@

2шт.

9

01011-31245

BOLT

SN: 10034-@

1шт.

10

01011-31230

BOLT

SN: 10034-@

9шт.

11

01010-31290

BOLT

SN: 10034-@

3шт.

12

01010-31275

BOLT

SN: 10034-@

7шт.

13

6144-81-5151

COVER

SN: 10034-@

1шт.

14

07000-03050

O-RING (K2)

SN: 10034-@

1шт.

15

01435-20612

BOLT

SN: 10034-@

2шт.

16

6215-71-3720

COVER

SN: 10034-10165

1шт.

17

01435-01025

BOLT

SN: 10034-@

3шт.

18

6215-21-3350

POINTER

SN: 10034-@

1шт.

19

01435-20610

BOLT

SN: 10034-@

2шт.

20

6162-23-3510

SEAL, FRONT (K2)

SN: 10034-@

1шт.

21

07046-42816

PLUG

SN: 10034-@

2шт.

|$24

6215-29-4320

FRONT SEAL ASS'Y,(REPAIR PARTS)

SN: 10034-@

1шт.

22

0

SEAL, FRONT

SN: 10034-@

1шт.

23

0

SLEEVE

SN: 10034-@

1шт.

24

09920-00150

LIQUID GASKET,LG-7, 150G

SN: 10034-10165

1шт.

Выбрано товаров: 27