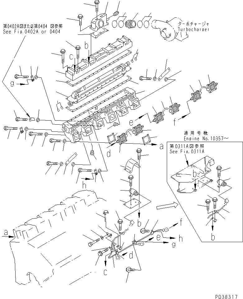
Запчасти Komatsu SA12V140-1C ТРУБОПРОВОД ВПУСКА ВОЗДУХА И ПОСЛЕОХЛАДИТЕЛЬ (/) (ПРАВ. ГРУПП.)(№-) ГОЛОВКА ЦИЛИНДРОВ

Схема запчастей Komatsu SA12V140-1C - ТРУБОПРОВОД ВПУСКА ВОЗДУХА И ПОСЛЕОХЛАДИТЕЛЬ (/) (ПРАВ. ГРУПП.)(№-) ГОЛОВКА ЦИЛИНДРОВ
1
2
3
4
5
5
6
7
7
8
9
10
10
10
10
10
10
11
11
12
13
14
14
14
15
15
15
16
16
16
16
16
16
16
16
16
16
17
17
18
19
20
21
22
23
24
24
25
25
25
25
25
25
26
26
27
27
28
29
29
30
31
32
32
33
33
33
34
34
35
35
36
36
37
37
37
37
37
38
39
FIT
1:1
100%

Артикул

Название

Примечание

Количество

1

6215-11-4110

MANIFOLD,AIR INTAKE¤ R.H.

SN: 10034-UP

1шт.

2

07043-50108

PLUG

SN: 10166-UP

2шт.

3

07043-70108

PLUG

SN: 10166-UP

1шт.

4

6212-61-6121

CORE

SN: 10167-UP

1шт.

|4

0

CORE

SN: 10034-10166

1шт.

5

6212-61-6430

O-RING (K1)

SN: 10034-UP

4шт.

6

6215-11-4210

COVER

SN: 10034-UP

1шт.

7

6212-11-4710

GASKET (K1)

SN: 10034-UP

2шт.

8

01435-00890

BOLT

SN: 10034-UP

26шт.

9

01436-01000

BOLT

SN: 10034-UP

4шт.

10

600-815-4290

HEATER,RIBBON

SN: 10034-UP

6шт.

11

6210-11-4810

GASKET (K1)

SN: 10034-UP

12шт.

12

01011-31060

BOLT

SN: 10166-UP

9шт.

13

01011-31000

BOLT

SN: 10034-UP

8шт.

14

01011-31005

BOLT

SN: 10166-UP

4шт.

15

01011-51065

BOLT

SN: 10166-UP

3шт.

16

01643-31032

WASHER

SN: 10166-UP

26шт.

17

6215-81-8140

PLATE

SN: 10166-UP

3шт.

18

6215-11-4320

CONNECTOR,AIR

SN: 10034-UP

1шт.

19

07042-70108

PLUG

SN: 10034-UP

2шт.

20

6212-11-4720

GASKET (K1)

SN: 10034-UP

1шт.

21

01435-01035

BOLT

SN: 10034-UP

4шт.

22

01436-01080

BOLT

SN: 10034-UP

2шт.

23

6211-11-4410

CONNECTOR

SN: 10034-UP

1шт.

24

6161-11-4720

O-RING (K1)

SN: 10034-UP

4шт.

25

426-01-11310

BRACKET

SN: 10166-UP

5шт.

26

01435-21020

BOLT

SN: 10166-UP

1шт.

27

600-815-2690

SWITCH,HEATER

SN: 10034-UP

1шт.

28

6215-81-8110

PLATE

SN: 10034-10356

1шт.

29

01435-20812

BOLT

SN: 10034-UP

2шт.

30

6212-81-4132

COVER

SN: 10034-10356

1шт.

31

01435-21030

BOLT

SN: 10034-10356

4шт.

32

6215-81-8260

WIRE

SN: 10166-UP

1шт.

33

6215-81-8210

WIRE

SN: 10166-UP

3шт.

34

600-050-2320

CLIP

SN: 10166-UP

1шт.

35

600-050-2220

CLAMP

SN: 10166-UP

2шт.

36

600-050-2160

CLAMP

SN: 10166-UP

2шт.

37

01435-21016

BOLT

SN: 10166-UP

5шт.

38

01010-51070

BOLT

SN: 10166-UP

1шт.

39

01643-31032

WASHER

SN: 10166-UP

1шт.

Выбрано товаров: 0