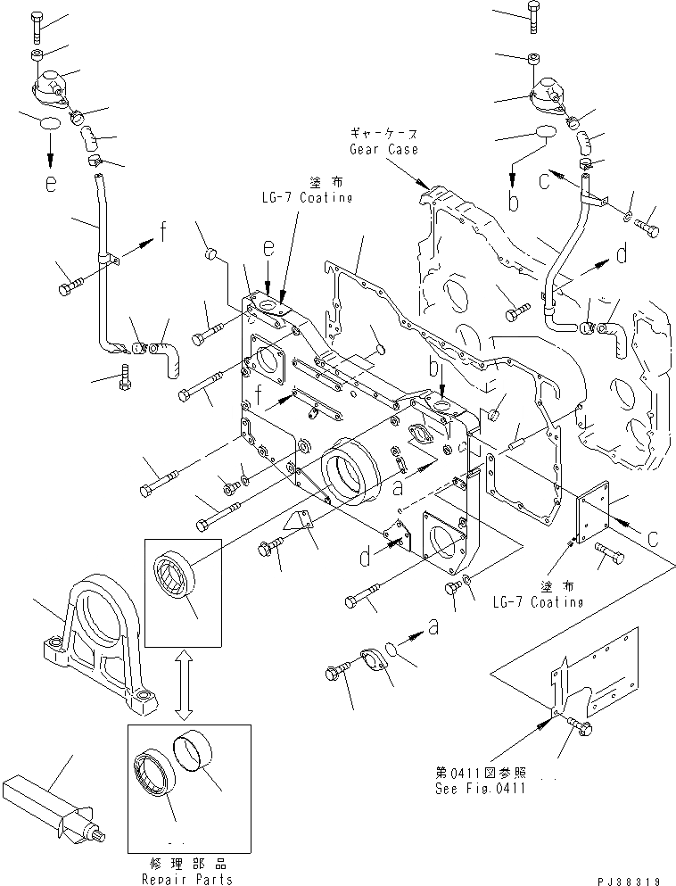
Запчасти Komatsu SA12V140-1C ПЕРЕДН. КРЫШКА(ЭЛЕКТР. РЕГУЛЯТОР СПЕЦ-Я.)(№7-) БЛОК ЦИЛИНДРОВ

Схема запчастей Komatsu SA12V140-1C - ПЕРЕДН. КРЫШКА(ЭЛЕКТР. РЕГУЛЯТОР СПЕЦ-Я.)(№7-) БЛОК ЦИЛИНДРОВ
1
2
3
4
5
6
7
8
9
10
11
12
13
14
15
16
17
17
18
18
19
19
20
20
21
21
22
22
23
23
23
23
24
25
26
27
28
28
28
29
29
30
30
31
32
33
34
35
36
36
37
38
39
FIT
1:1
100%

Артикул

Название

Примечание

Количество

|1

6215-21-3010

FRONT COVER ASS'Y

SN: 10034-10165

1шт.

1

0

COVER

SN: 10034-10165

1шт.

2

07046-11816

PLUG

SN: 10034-@

9шт.

3

07040-12414

PLUG

SN: 10034-@

1шт.

4

07005-02416

GASKET

SN: 10034-@

1шт.

5

07040-11007

PLUG

SN: 10034-@

2шт.

6

07005-01012

GASKET

SN: 10034-@

2шт.

7

6215-21-3811

GASKET (K2)

SN: 10034-@

1шт.

|7

0

GASKET (K2)

SN: (10034-10165)

1шт.

8

04020-01434

PIN,DOWEL

SN: 10034-@

2шт.

9

01011-31245

BOLT

SN: 10034-@

1шт.

10

01011-31230

BOLT

SN: 10034-@

9шт.

11

01010-31290

BOLT

SN: 10034-@

3шт.

12

01010-31275

BOLT

SN: 10034-@

7шт.

13

6144-81-5151

COVER

SN: 10034-@

1шт.

14

07000-03050

O-RING (K2)

SN: 10034-@

1шт.

15

01435-20612

BOLT

SN: 10034-@

2шт.

16

6215-71-3720

COVER

SN: 10034-10165

1шт.

17

01435-01025

BOLT

SN: 10034-@

3шт.

18

6210-21-8711

BREATHER

SN: 10076-@

2шт.

19

07000-62060

O-RING (K2)

SN: 10076-@

2шт.

20

6631-11-5630

SPACER

SN: 10076-@

4шт.

21

01010-51040

BOLT

SN: 10076-@

4шт.

22

6130-61-6611

HOSE

SN: 10034-@

2шт.

23

07285-00260

CLIP

SN: 10034-@

4шт.

24

6215-21-8780

TUBE

SN: 10034-@

1шт.

25

6215-21-8770

TUBE

SN: 10034-@

1шт.

26

01010-31030

BOLT

SN: 10034-@

1шт.

27

01640-01016

WASHER

SN: 10034-@

1шт.

28

01010-31220

BOLT

SN: 10034-@

3шт.

29

07287-01912

HOSE

SN: 10034-@

2шт.

30

07285-00220

CLIP

SN: 10034-@

2шт.

31

6215-21-3350

POINTER

SN: 10034-@

1шт.

32

01435-20610

BOLT

SN: 10034-@

2шт.

33

6162-23-3510

SEAL¤ FRONT (K2)

SN: 10034-@

1шт.

34

6215-21-3710

SUPPORT,FRONT

SN: 10034-@

1шт.

35

01010-31275

BOLT

SN: 10034-@

1шт.

36

07046-42816

PLUG

SN: 10034-@

2шт.

|37

6215-29-4320

FRONT SEAL ASS'Y,(REPAIR PARTS)

SN: 10034-@

1шт.

37

6215-29-4330

SEAL¤ FRONT

SN: 10034-@

1шт.

38

6215-29-4340

SLEEVE

SN: 10034-@

1шт.

39

09920-00150

LIQUID GASKET,LG-7¤ 150G

SN: 10034-10165

1шт.

Выбрано товаров: 42