Запчасти Komatsu SA12V140-1C ЛИНИЯ КОМПРЕССОРА (/) АКСЕССУАРЫ

Схема запчастей Komatsu SA12V140-1C - ЛИНИЯ КОМПРЕССОРА (/) АКСЕССУАРЫ
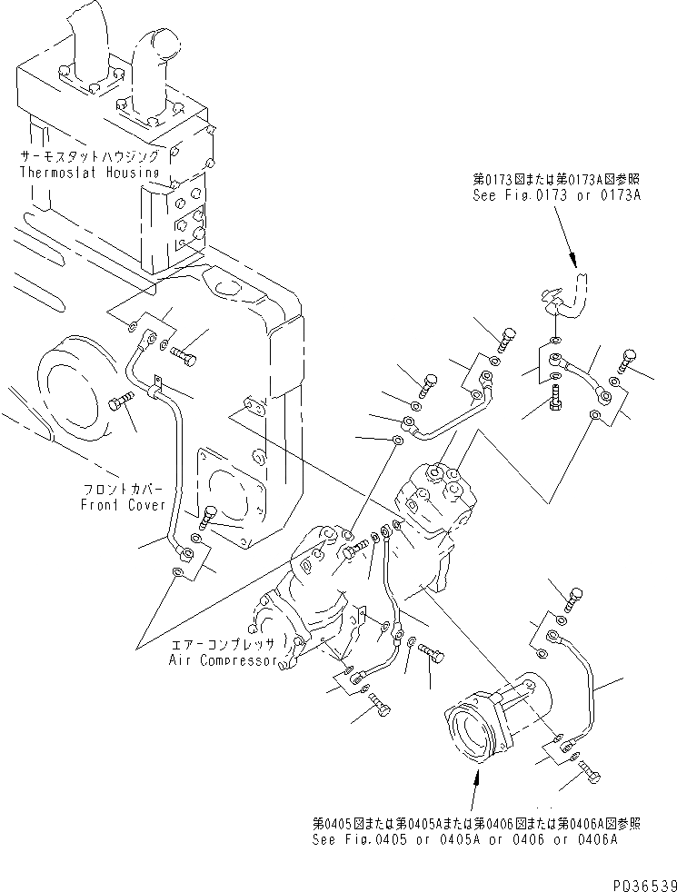
1
2
3
4
4
4
4
4
4
5
5
5
5
5
5
5
6
7
8
9
10
11
11
11
11
12
12
12
12
12
12
12
FIT
1:1
100%

Артикул

Название

Примечание

Количество

1

6215-81-5330

TUBE,WATER

SN: 10034-UP

1шт.

2

6215-81-5311

TUBE,WATER

SN: 10034-UP

1шт.

|2

0

TUBE,WATER

SN: (10034-10356)

1шт.

3

6215-81-5320

TUBE,WATER

SN: 10034-UP

1шт.

4

07206-31014

BOLT,JOINT

SN: 10034-UP

6шт.

5

07005-01412

GASKET (K8)

SN: 10034-UP

12шт.

6

6215-81-5391

CLIP

SN: 10034-UP

1шт.

|6

0

CLIP

SN: (10034-10165)

1шт.

7

01011-31245

BOLT

SN: 10034-UP

1шт.

8

6215-81-5221

TUBE

SN: 10034-UP

1шт.

9

6215-81-5211

TUBE

SN: 10034-UP

1шт.

10

6150-51-9470

BOLT,JOINT

SN: 10034-UP

1шт.

11

07206-30710

BOLT,JOINT

SN: 10034-UP

4шт.

12

07005-01012

GASKET (K8)

SN: 10034-UP

10шт.

Выбрано товаров: 14