Запчасти Komatsu SA12V140-1D-A ВОЗДУШН. ВЕНТИЛЯЦИЯ (ДЛЯ МЕХАНИЧ. РЕГУЛИР.)(№7-77) ДВИГАТЕЛЬ

Схема запчастей Komatsu SA12V140-1D-A - ВОЗДУШН. ВЕНТИЛЯЦИЯ (ДЛЯ МЕХАНИЧ. РЕГУЛИР.)(№7-77) ДВИГАТЕЛЬ
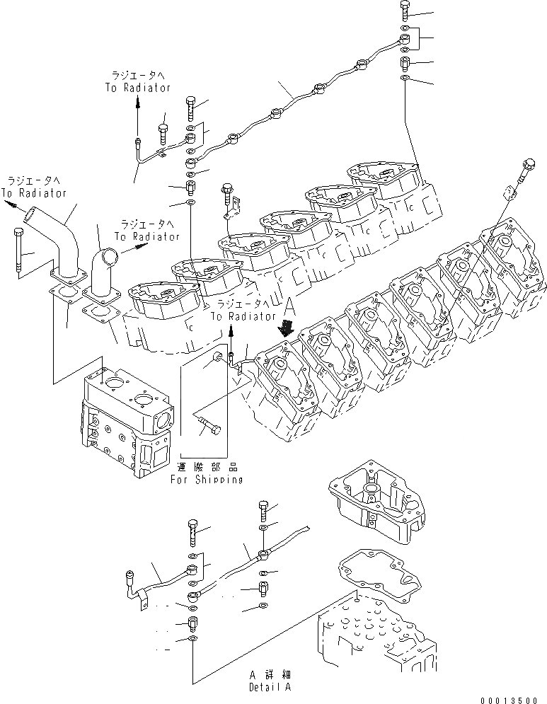
1
1
2
3
4
5
5
6
7
7
8
8
9
9
10
10
10
10
10
10
10
11
11
11
11
12
12
12
12
13
14
15
FIT
1:1
100%

Артикул

Название

Примечание

Количество

1

566-32-11291

GASKET (K1)

SN: 10036-10774

2шт.

2

561-03-62110

TUBE

SN: 10036-@

1шт.

3

561-03-62120

TUBE

SN: 10036-@

1шт.

4

01011-81020

BOLT

SN: 10036-@

8шт.

5

6215-11-6551

TUBE,AIR, L.H.

SN: 10357-10774

1шт.

6

6215-11-6541

TUBE,AIR, R.H.

SN: 10357-@

1шт.

7

6215-11-6530

TUBE,AIR

SN: 10036-@

2шт.

8

07206-30710

BOLT,JOINT

SN: 10036-@

10шт.

9

6215-11-6560

BOLT,JOINT

SN: 10036-@

2шт.

10

07005-01012

SEAL, WASHER (K1)

SN: 10357-10774

12шт.

11

6210-11-6560

JOINT

SN: 10357-10774

12шт.

12

07003-01015

GASKET (K1)

SN: 10036-@

26шт.

13

01010-81030

BOLT,(FOR SHIPPING)

SN: 10047-@

1шт.

14

417-823-1460

SPACER,(FOR SHIPPING)

SN: 10047-@

1шт.

15

01011-81010

BOLT

SN: 10036-@

1шт.

Выбрано товаров: 15