Запчасти Komatsu SA12V140-1E-47 КРЕПЛЕНИЕ ТОПЛ. НАСОСА(№-) ДВИГАТЕЛЬ

Схема запчастей Komatsu SA12V140-1E-47 - КРЕПЛЕНИЕ ТОПЛ. НАСОСА(№-) ДВИГАТЕЛЬ
1
2
2
3
3
4
4
5
5
6
7
8
FIT
1:1
100%

Артикул

Название

Примечание

Количество

1

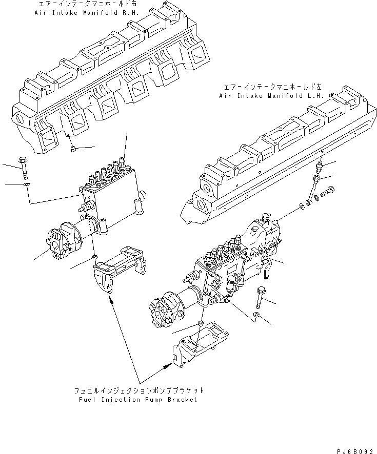
6215-71-1172

INJECTION PUMP A.,L.H. (SEE FIG.A4010-B7A7A)

SN: 10448-UP

1шт.

|1

0

INJECTION PUMP A.,L.H. (SEE FIG.A4010-B7A7A)

SN: 10298-10447

1шт.

|1

0

INJECTION PUMP A.,L.H. (SEE FIG.A4010-B7A7)

SN: 10100-10297

1шт.

2

6215-71-1181

INJECTION PUMP A.,R.H. (SEE FIG.A4010-H7A7A)

SN: 10298-UP

1шт.

|2

0

INJECTION PUMP A.,R.H. (SEE FIG.A4010-H7A7)

SN: 10100-10297

1шт.

3

01437-01090

BOLT

SN: 10100-UP

8шт.

4

6210-41-2431

PIN,DOWEL

SN: 12547-UP

4шт.

|4

0

PIN,DOWEL

SN: 10100-12546

4шт.

5

01643-51032

WASHER

SN: 10100-UP

8шт.

6

6215-71-1710

TUBE

SN: 10100-UP

1шт.

7

07214-50710

CONNECTOR

SN: 10100-UP

1шт.

8

07043-70108

PLUG,(SEE OF AIR INTAKE)

SN: 10100-UP

1шт.

Выбрано товаров: 12