Запчасти Komatsu SA12V140-1E-47 ТОПЛИВН. ФОРСУНКА И СЛИВНАЯ ТРУБКА(№89-) ДВИГАТЕЛЬ

Схема запчастей Komatsu SA12V140-1E-47 - ТОПЛИВН. ФОРСУНКА И СЛИВНАЯ ТРУБКА(№89-) ДВИГАТЕЛЬ
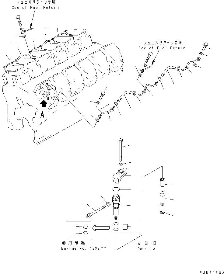
1
1
2
3
4
5
6
6
7
8
9
10
11
12
12
13
13
13
13
13
13
14
14
15
15
16
16
17
17
17
17
18
18
18
18
FIT
1:1
100%

Артикул

Название

Примечание

Количество

|1

6212-11-3202

NOZZLE HOLDER ASS'Y

SN: 10787-UP

12шт.

1

6212-11-3212

HOLDER ASS'Y,(SEE FIG.A421A-C7A5)

SN: 10787-UP

1шт.

2

6211-11-3131

CONNECTOR

SN: 10787-UP

1шт.

3

6215-11-3220

NOZZLE

SN: 11892-UP

1шт.

4

6210-71-1160

GASKET (K1)

SN: 10001-UP

12шт.

5

6210-11-7710

O-RING (K1)

SN: 10001-UP

12шт.

6

07000-F2021

O-RING (K1)

SN: 12481-UP

12шт.

|6

0

O-RING (K1)

SN: 11892-12480

12шт.

7

6210-11-7720

O-RING (K1)

SN: 11892-UP

12шт.

8

6210-71-1150

HOLDER

SN: 10001-UP

12шт.

9

6210-71-1140

WASHER

SN: 10001-UP

12шт.

10

01011-81020

BOLT

SN: 10001-UP

12шт.

11

6211-71-9770

NUT

SN: 10787-UP

12шт.

12

07206-30508

BOLT,JOINT

SN: 10001-UP

10шт.

13

07005-00812

GASKET (K1)

SN: 10001-UP

24шт.

14

6215-71-5570

TUBE

SN: 10001-UP

2шт.

15

6215-71-5580

TUBE

SN: 10001-UP

2шт.

16

6215-71-5590

TUBE

SN: 10001-UP

2шт.

17

07270-20411

TUBE

SN: 10001-UP

4шт.

18

07285-00085

CLIP

SN: 10001-UP

8шт.

Выбрано товаров: 0