Запчасти Komatsu SA12V140-1E-47 ЗАЩИТА (ПРИВОД ТОПЛ. НАСОСА)(№-) ДВИГАТЕЛЬ

Схема запчастей Komatsu SA12V140-1E-47 - ЗАЩИТА (ПРИВОД ТОПЛ. НАСОСА)(№-) ДВИГАТЕЛЬ
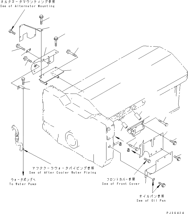
1
2
3
4
5
6
7
8
8
9
10
11
12
13
14
15
16
17
17
17
FIT
1:1
100%

Артикул

Название

Примечание

Количество

1

6215-71-7521

ADAPTER,L.H. (SEE FIG.A411A-A7A6)

SN: 10100-@

1шт.

2

6150-81-6940

SPACER

SN: 10100-@

2шт.

3

01010-81090

BOLT

SN: 10100-@

2шт.

4

6134-11-5120

SPACER

SN: 10100-@

1шт.

5

01010-81070

BOLT

SN: 10100-@

1шт.

6

6215-71-2633

COVER,L.H.

SN: 10100-@

1шт.

|6

0

COVER,L.H.

SN: 10100-10222

1шт.

7

6215-71-2641

COVER,L.H.

SN: 10100-@

1шт.

8

01435-01016

BOLT

SN: 10100-10222

6шт.

9

6215-71-2681

BRACKET,R.H.

SN: 10100-@

1шт.

10

01011-81000

BOLT

SN: 10100-@

2шт.

11

6215-71-2822

COVER,R.H.

SN: 10100-@

1шт.

|11

0

COVER,R.H.

SN: 10100-10222

1шт.

12

6215-71-2611

COVER,R.H.

SN: 10100-@

1шт.

13

6136-11-8890

PLATE

SN: 10100-10222

1шт.

14

01435-01016

BOLT

SN: 10100-10222

2шт.

15

6215-71-2831

STAY

SN: 10100-@

1шт.

16

01010-81025

BOLT

SN: 10100-@

1шт.

17

01435-01016

BOLT

SN: 10100-10222

5шт.

Выбрано товаров: 19