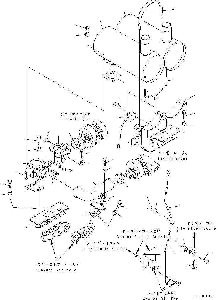
Запчасти Komatsu SA12V140-1E-47 ГЛУШИТЕЛЬ(№-) ДВИГАТЕЛЬ

Схема запчастей Komatsu SA12V140-1E-47 - ГЛУШИТЕЛЬ(№-) ДВИГАТЕЛЬ
1
1
2
3
4
5
6
7
7
8
8
9
10
11
12
12
12
13
14
14
15
15
15
16
16
17
18
18
19
19
20
21
22
23
24
25
25
26
27
28
29
30
31
32
33
34
FIT
1:1
100%

Артикул

Название

Примечание

Количество

1

6215-11-5530

MUFFLER

SN: 10100-@

2шт.

2

6211-11-5890

GASKET (K1)

SN: 10100-@

2шт.

3

01010-61055

BOLT

SN: 10100-@

8шт.

4

6631-11-5630

SPACER

SN: 10100-@

8шт.

5

6215-11-5750

BAND

SN: 10100-@

2шт.

6

6215-11-5740

NUT

SN: 10343-@

4шт.

|6

0

NUT

SN: 10100-10342

8шт.

7

6215-11-5871

ELBOW,EXHAUST

SN: 10100-@

2шт.

8

6215-11-5280

CONNECTOR

SN: 10100-@

2шт.

9

6215-11-5291

CONNECTOR

SN: 10100-@

1шт.

10

6215-11-5881

BRACKET

SN: 10100-@

1шт.

11

6215-11-5980

SHIM¤ 0.5MM (K1)

SN: 10100-@

-2шт.

|11

6215-11-5990

SHIM¤ 1.0MM (K1)

SN: 10100-@

-2шт.

12

6215-11-5760

SHIM¤ 0.5MM (K1)

SN: 10100-@

-2шт.

|12

6215-11-5770

SHIM¤ 1.0MM (K1)

SN: 10100-@

-2шт.

13

01010-61045

BOLT

SN: 10100-@

6шт.

14

01010-61050

BOLT

SN: 10100-@

8шт.

15

6631-11-5630

SPACER

SN: 10100-@

14шт.

16

6215-11-5920

PLUG

SN: 10100-@

4шт.

17

6215-11-5651

BRACKET

SN: 10100-11053

1шт.

18

01010-61045

BOLT

SN: 10100-@

8шт.

19

6631-11-5630

SPACER

SN: 10100-@

8шт.

20

6215-11-5830

BRACKET

SN: 10100-11053

1шт.

21

01010-31045

BOLT

SN: 10100-@

6шт.

22

6631-11-5630

SPACER

SN: 10100-@

6шт.

23

6215-11-5940

ADAPTER,DRAIN

SN: 10100-11053

1шт.

24

01010-31060

BOLT

SN: 10100-11053

2шт.

25

6215-11-5840

TUBE,DRAIN

SN: 10100-11053

2шт.

26

6215-11-5850

TUBE

SN: 10100-11053

1шт.

27

6215-11-5930

TUBE

SN: 10100-11053

1шт.

28

175-79-83760

SPACER

SN: 10100-11053

1шт.

29

01010-31045

BOLT

SN: 10100-11053

1шт.

30

01580-01008

NUT

SN: 10100-11053

1шт.

31

01642-01016

WASHER

SN: 10100-11053

1шт.

32

6150-65-7440

STAY

SN: 10100-@

1шт.

33

01435-00820

BOLT

SN: 10100-@

1шт.

34

01580-01008

NUT

SN: 10100-@

8шт.

Выбрано товаров: 37