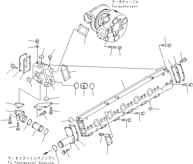
Запчасти Komatsu SA12V140-1M ВЫПУСКНОЙ КОЛЛЕКТОР (ПРАВ.) (JG СПЕЦ-Я.) ДВИГАТЕЛЬ

Схема запчастей Komatsu SA12V140-1M - ВЫПУСКНОЙ КОЛЛЕКТОР (ПРАВ.) (JG СПЕЦ-Я.) ДВИГАТЕЛЬ
1
2
3
4
5
5
5
6
7
8
9
10
11
12
13
13
14
15
16
17
18
19
20
21
22
23
24
25
26
27
28
28
29
30
31
32
32
33
34
35
36
37
38
FIT
1:1
100%

Артикул

Название

Примечание

Количество

|1

6215-15-5100

EXHAUST MANIFOLD A.

SN: 10517-UP

1шт.

1

0

MANIFOLD,EXHAUST

SN: 10517-UP

1шт.

2

07046-45016

PLUG

SN: 10517-UP

10шт.

3

07046-43016

PLUG

SN: 10517-UP

2шт.

|4

6215-15-5500

CONNECTOR ASS'Y

SN: 10517-UP

1шт.

4

0

CONNECTOR

SN: 10517-UP

1шт.

5

07046-45016

PLUG

SN: 10517-UP

3шт.

6

6215-15-5320

COVER

SN: 10517-UP

1шт.

7

6215-15-5360

GASKET (K1)

SN: 10517-UP

1шт.

8

01435-01020

BOLT

SN: 10517-UP

6шт.

9

6215-15-5530

COVER

SN: 10517-UP

1шт.

10

6215-15-5520

GASKET (K1)

SN: 10517-UP

1шт.

11

01435-01020

BOLT

SN: 10517-UP

6шт.

12

6215-15-5330

TUBE

SN: 10517-UP

1шт.

13

6215-15-5380

O-RING (K1)

SN: 10517-UP

2шт.

14

6215-15-5340

GASKET (K1)

SN: 10517-UP

6шт.

15

04418-02550

SCREW

SN: 10517-UP

6шт.

16

01011-31000

BOLT

SN: 10517-UP

12шт.

17

01011-31025

BOLT

SN: 10517-UP

12шт.

18

6215-15-5350

GASKET (K1)

SN: 10517-UP

1шт.

19

01011-31025

BOLT

SN: 10517-UP

4шт.

20

6204-81-6810

BOLT

SN: 10517-UP

1шт.

21

6215-15-5410

STUD

SN: 10517-UP

4шт.

22

6212-15-5410

NUT

SN: 10517-UP

4шт.

23

6212-15-5831

GASKET (K1)

SN: 10517-UP

1шт.

24

6151-15-5971

PLUG

SN: 10517-UP

2шт.

25

07040-11007

PLUG

SN: 10517-UP

1шт.

26

07005-01012

GASKET (K1)

SN: 10517-UP

1шт.

27

6215-15-9110

BRACKET

SN: 10517-UP

1шт.

28

01010-51025

BOLT

SN: 10517-UP

4шт.

29

6215-15-6310

CONNECTOR

SN: 10517-UP

1шт.

30

6215-15-6320

GASKET (K1)

SN: 10517-UP

1шт.

31

6215-15-6350

TUBE

SN: 10517-UP

1шт.

32

07000-32060

O-RING (K1)

SN: 10517-UP

2шт.

33

01010-51085

BOLT

SN: 10517-UP

2шт.

34

01010-51045

BOLT

SN: 10517-UP

1шт.

35

6215-15-6740

TUBE

SN: 10517-UP

1шт.

36

6215-15-5370

GASKET (K1)

SN: 10517-UP

1шт.

37

01435-01020

BOLT

SN: 10517-UP

6шт.

38

07000-32065

O-RING (K1)

SN: 10517-UP

1шт.

Выбрано товаров: 0