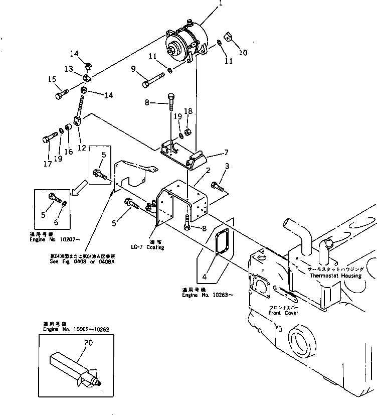
Запчасти Komatsu SA12V140-1P ГЕНЕРАТОР И КРЕПЛЕНИЕ ЭЛЕКТРИКА

Схема запчастей Komatsu SA12V140-1P - ГЕНЕРАТОР И КРЕПЛЕНИЕ ЭЛЕКТРИКА
FIT
1:1
100%

Артикул

Название

Примечание

Количество

1

600-821-9530

ALTERNATOR A. (75A),(SEE FIG.0641)

SN: 10002-UP

1шт.

1

600-821-9321

ALTERNATOR A. (50A),(SEE FIG.0642)

SN: 10002-UP

1шт.

2

6215-81-6171

BRACKET

SN: 10263-UP

1шт.

2

6215-81-6170

BRACKET

SN: 10197-10262

1шт.

2

6215-81-6110

BRACKET

SN: 10002-10196

1шт.

3

01010-31025

BOLT

SN: 10002-UP

4шт.

4

6215-81-6190

GASKET (K2)

SN: 10263-UP

1шт.

5

01010-51025

BOLT

SN: 10207-UP

4шт.

5

01435-01025

BOLT

SN: 10002-10206

4шт.

6

01643-31032

WASHER

SN: 10207-UP

2шт.

7

6215-81-6120

BRACKET

SN: 10002-UP

1шт.

8

01010-31025

BOLT

SN: 10002-UP

4шт.

9

6128-21-6780

BOLT

SN: 10002-UP

1шт.

10

6164-81-8180

NUT

SN: 10002-UP

1шт.

11

01640-21323

WASHER

SN: 10002-UP

2шт.

12

6215-81-6131

ROD

SN: 10034-UP

1шт.

12

0

ROD

SN: 10002-10033

1шт.

|$$18

(6215-81-6131,01580-11411(2),

-1шт.

|$$19

6215-81-6141)

-1шт.

13

6215-81-6141

PLATE

SN: 10034-UP

1шт.

13

6215-81-6140

PLATE

SN: 10002-10033

1шт.

14

01580-11411

NUT

SN: 10034-UP

2шт.

14

01580-11210

NUT

SN: 10002-10033

2шт.

15

01050-31245

BOLT

SN: 10002-UP

1шт.

16

6215-81-6150

PIN

SN: 10002-UP

1шт.

17

01011-31220

BOLT

SN: 10002-UP

1шт.

18

01580-11210

NUT

SN: 10002-UP

1шт.

19

01640-21223

WASHER

SN: 10002-UP

2шт.

20

09920-00150

LIQUID GASKET,LG-7, 150G

SN: 10002-10262

-2шт.

1

600-821-9530

ALTERNATOR A. (75A),(SEE FIG.0641)

SN: 10002-UP

1шт.

1

600-821-9321

ALTERNATOR A. (50A),(SEE FIG.0642)

SN: 10002-UP

1шт.

2

6215-81-6171

BRACKET

SN: 10263-UP

1шт.

2

6215-81-6170

BRACKET

SN: 10197-10262

1шт.

2

6215-81-6110

BRACKET

SN: 10002-10196

1шт.

3

01010-31025

BOLT

SN: 10002-UP

4шт.

4

6215-81-6190

GASKET (K2)

SN: 10263-UP

1шт.

5

01010-51025

BOLT

SN: 10207-UP

4шт.

5

01435-01025

BOLT

SN: 10002-10206

4шт.

6

01643-31032

WASHER

SN: 10207-UP

2шт.

7

6215-81-6120

BRACKET

SN: 10002-UP

1шт.

8

01010-31025

BOLT

SN: 10002-UP

4шт.

9

6128-21-6780

BOLT

SN: 10002-UP

1шт.

10

6164-81-8180

NUT

SN: 10002-UP

1шт.

11

01640-21323

WASHER

SN: 10002-UP

2шт.

12

6215-81-6131

ROD

SN: 10034-UP

1шт.

12

0

ROD

SN: 10002-10033

1шт.

|$$18

(6215-81-6131,01580-11411(2),

-1шт.

|$$19

6215-81-6141)

-1шт.

13

6215-81-6141

PLATE

SN: 10034-UP

1шт.

13

6215-81-6140

PLATE

SN: 10002-10033

1шт.

14

01580-11411

NUT

SN: 10034-UP

2шт.

14

01580-11210

NUT

SN: 10002-10033

2шт.

15

01050-31245

BOLT

SN: 10002-UP

1шт.

16

6215-81-6150

PIN

SN: 10002-UP

1шт.

17

01011-31220

BOLT

SN: 10002-UP

1шт.

18

01580-11210

NUT

SN: 10002-UP

1шт.

19

01640-21223

WASHER

SN: 10002-UP

2шт.

20

09920-00150

LIQUID GASKET,LG-7, 150G

SN: 10002-10262

-2шт.

Выбрано товаров: 58