Запчасти Komatsu SA12V140-1P ВЫПУСКНОЙ КОЛЛЕКТОР И ТУРБОНАГНЕТАТЕЛЬ (/) ГОЛОВКА ЦИЛИНДРОВ

Схема запчастей Komatsu SA12V140-1P - ВЫПУСКНОЙ КОЛЛЕКТОР И ТУРБОНАГНЕТАТЕЛЬ (/) ГОЛОВКА ЦИЛИНДРОВ
FIT
1:1
100%

Артикул

Название

Примечание

Количество

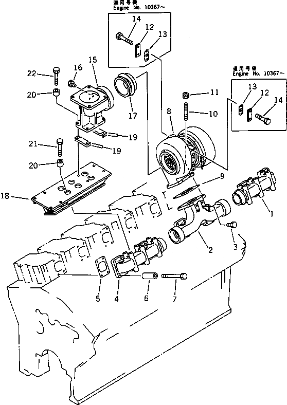
1

6215-11-5110

MANIFOLD,EXHAUST¤ FRONT¤ R.H.

SN: 10002-UP

1шт.

2

6215-11-5150

MANIFOLD,EXHAUST¤ CENTER¤ R.H.

SN: 10002-UP

1шт.

3

6215-11-5920

PLUG

SN: 10002-UP

2шт.

4

6215-11-5130

MANIFOLD,EXHAUST¤ REAR¤ R.H.

SN: 10002-UP

1шт.

5

6210-11-5881

GASKET (K1)

SN: 10375-UP

6шт.

|5

0

GASKET (K1)

SN: 10002-10374

6шт.

6

6215-11-5720

SPACER

SN: 10002-UP

24шт.

7

01020-11095

BOLT

SN: 10002-UP

24шт.

8

6505-51-5130

TURBOCHARGER ASS'Y,R.H. (SEE FIG.0155A)

SN: 10367-UP

1шт.

|8

0

TURBOCHARGER ASS'Y,R.H. (SEE FIG.0155)

SN: 10002-10366

1шт.

|$$11

(6505-51-5130{6164-62-8230(4)¤}

-1шт.

|$$12

6164-62-8240(4){01010-51025(8))}

-1шт.

9

6212-15-5831

GASKET (K1)

SN: 10309-UP

1шт.

|9

0

GASKET (K1)

SN: 10002-10308

1шт.

10

6151-11-8550

STUD

SN: 10002-UP

4шт.

11

6114-11-5590

NUT

SN: 10002-UP

4шт.

12

6164-62-8230

PLATE

SN: 10367-UP

4шт.

13

6164-62-8240

GASKET (K1)

SN: 10367-UP

4шт.

14

01010-51025

BOLT

SN: 10367-UP

8шт.

15

6215-11-5871

ELBOW,EXHAUST

SN: 10005-UP

1шт.

|15

0

ELBOW,EXHAUST

SN: 10002-10004

1шт.

16

6215-11-5920

PLUG

SN: 10002-UP

2шт.

17

6215-11-5280

CONNECTOR

SN: 10002-UP

1шт.

18

6215-11-5881

BRACKET

SN: 10002-UP

1шт.

19

6215-11-5760

SHIM¤ 0.5MM (K1)

SN: 10037-UP

2шт.

|19

6215-11-5760

SHIM¤ 0.5MM

SN: 10025-10036

2шт.

|19

6215-11-5770

SHIM¤ 1.0MM (K1)

SN: 10037-UP

4шт.

|19

6215-11-5770

SHIM¤ 1.0MM

SN: 10025-10036

4шт.

20

6631-11-5630

SPACER

SN: 10002-UP

10шт.

21

01010-61045

BOLT

SN: 10002-UP

6шт.

22

01010-61050

BOLT

SN: 10002-UP

4шт.

1

6215-11-5110

MANIFOLD,EXHAUST¤ FRONT¤ R.H.

SN: 10002-UP

1шт.

2

6215-11-5150

MANIFOLD,EXHAUST¤ CENTER¤ R.H.

SN: 10002-UP

1шт.

3

6215-11-5920

PLUG

SN: 10002-UP

2шт.

4

6215-11-5130

MANIFOLD,EXHAUST¤ REAR¤ R.H.

SN: 10002-UP

1шт.

5

6210-11-5881

GASKET (K1)

SN: 10375-UP

6шт.

|5

0

GASKET (K1)

SN: 10002-10374

6шт.

6

6215-11-5720

SPACER

SN: 10002-UP

24шт.

7

01020-11095

BOLT

SN: 10002-UP

24шт.

8

6505-51-5130

TURBOCHARGER ASS'Y,R.H. (SEE FIG.0155A)

SN: 10367-UP

1шт.

|8

0

TURBOCHARGER ASS'Y,R.H. (SEE FIG.0155)

SN: 10002-10366

1шт.

|$$11

(6505-51-5130{6164-62-8230(4)¤}

-1шт.

|$$12

6164-62-8240(4){01010-51025(8))}

-1шт.

9

6212-15-5831

GASKET (K1)

SN: 10309-UP

1шт.

|9

0

GASKET (K1)

SN: 10002-10308

1шт.

10

6151-11-8550

STUD

SN: 10002-UP

4шт.

11

6114-11-5590

NUT

SN: 10002-UP

4шт.

12

6164-62-8230

PLATE

SN: 10367-UP

4шт.

13

6164-62-8240

GASKET (K1)

SN: 10367-UP

4шт.

14

01010-51025

BOLT

SN: 10367-UP

8шт.

15

6215-11-5871

ELBOW,EXHAUST

SN: 10005-UP

1шт.

|15

0

ELBOW,EXHAUST

SN: 10002-10004

1шт.

16

6215-11-5920

PLUG

SN: 10002-UP

2шт.

17

6215-11-5280

CONNECTOR

SN: 10002-UP

1шт.

18

6215-11-5881

BRACKET

SN: 10002-UP

1шт.

19

6215-11-5760

SHIM¤ 0.5MM (K1)

SN: 10037-UP

2шт.

|19

6215-11-5760

SHIM¤ 0.5MM

SN: 10025-10036

2шт.

|19

6215-11-5770

SHIM¤ 1.0MM (K1)

SN: 10037-UP

4шт.

|19

6215-11-5770

SHIM¤ 1.0MM

SN: 10025-10036

4шт.

20

6631-11-5630

SPACER

SN: 10002-UP

10шт.

21

01010-61045

BOLT

SN: 10002-UP

6шт.

22

01010-61050

BOLT

SN: 10002-UP

4шт.

Выбрано товаров: 62