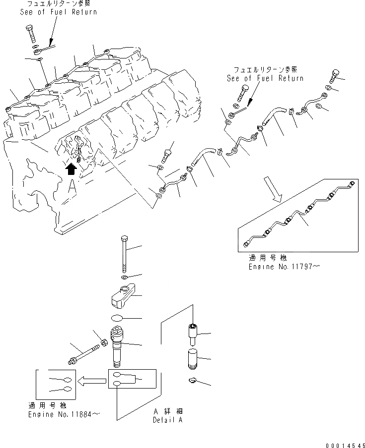
Запчасти Komatsu SA12V140-1Q-A ТОПЛИВН. ФОРСУНКА И СЛИВНАЯ ТРУБКА(№-) ДВИГАТЕЛЬ

Схема запчастей Komatsu SA12V140-1Q-A - ТОПЛИВН. ФОРСУНКА И СЛИВНАЯ ТРУБКА(№-) ДВИГАТЕЛЬ
1
1
2
3
4
5
6
6
7
8
9
10
11
12
12
12
13
13
14
14
15
15
15
15
16
16
16
16
17
17
18
18
18
18
18
18
FIT
1:1
100%

Артикул

Название

Примечание

Количество

|1

6215-11-3202

NOZZLE HOLDER A.

SN: 10701-UP

12шт.

|1

0

NOZZLE HOLDER A.

SN: 10330-10700

12шт.

|1

0

NOZZLE HOLDER A.

SN: 10034-10329

12шт.

1

6212-11-3212

HOLDER ASS'Y,(SEE FIG.A4210-B7A4)

SN: 10701-UP

1шт.

|1

0

HOLDER ASS'Y,(SEE FIG.A4210-B7A4)

SN: 10330-10700

1шт.

|1

0

HOLDER ASS'Y,(SEE FIG.A4210-B7A4)

SN: 10034-10329

1шт.

2

6211-11-3131

CONNECTOR

SN: 10701-UP

1шт.

|2

6211-11-3130

CONNECTOR

SN: 10034-10700

1шт.

3

6215-11-3220

NOZZLE

SN: 10034-UP

1шт.

4

6210-71-1160

GASKET (K1)

SN: 10034-UP

12шт.

5

6210-11-7710

O-RING (K1)

SN: 10034-UP

12шт.

6

07000-F2021

O-RING (K1)

SN: 11884-UP

12шт.

|6

07000-22021

O-RING (K1)

SN: 10034-11883

24шт.

7

6210-11-7720

O-RING (K1)

SN: 11884-UP

12шт.

8

6210-71-1150

HOLDER

SN: 10034-UP

12шт.

9

6210-71-1140

WASHER

SN: 10034-UP

12шт.

10

01011-81020

BOLT

SN: 10034-UP

12шт.

11

6211-71-9770

NUT

SN: 10701-UP

12шт.

|11

01582-01210

NUT

SN: 10034-10700

12шт.

12

6215-75-5570

TUBE

SN: 11797-UP

2шт.

|12

0

TUBE

SN: 10034-11796

2шт.

13

6215-71-5580

TUBE

SN: 10034-11796

2шт.

14

6215-71-5590

TUBE

SN: 10034-11796

2шт.

15

07270-20411

TUBE

SN: 10034-11796

4шт.

16

07285-00085

CLIP

SN: 10034-11796

8шт.

17

07206-30508

BOLT,JOINT

SN: 10034-UP

10шт.

18

07005-00812

GASKET (K1)

SN: 10034-UP

26шт.

Выбрано товаров: 0