Запчасти Komatsu SA12V140-1Q-A ЭЛЕКТР. ЭЛЕКТРОПРОВОДКА (ДЛЯ ЭЛЕКТРИЧ. РЕГУЛЯТОРА)(№7-) ДВИГАТЕЛЬ

Схема запчастей Komatsu SA12V140-1Q-A - ЭЛЕКТР. ЭЛЕКТРОПРОВОДКА (ДЛЯ ЭЛЕКТРИЧ. РЕГУЛЯТОРА)(№7-) ДВИГАТЕЛЬ
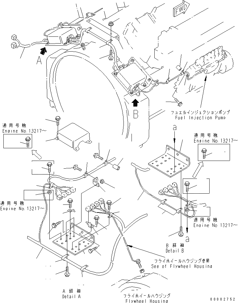
1
1
1
2
2
3
4
5
6
7
8
9
10
11
11
12
12
13
13
13
14
14
14
14A
14A
15
16
16
17
17
18
19
20
21
22
22
23
23
24
24
25
26
27
27
FIT
1:1
100%

Артикул

Название

Примечание

Количество

1

6215-81-6510

WIRING HARNESS

SN: 10047-UP

1шт.

2

6215-81-6411

BRACKET

SN: 10047-UP

2шт.

3

6215-71-2710

STAY

SN: 10047-UP

2шт.

4

01435-01025

BOLT

SN: 10047-UP

2шт.

5

01584-01008

NUT

SN: 10047-UP

2шт.

6

01010-81225

BOLT

SN: 10047-UP

4шт.

7

6215-81-6520

BRACKET

SN: 10047-UP

1шт.

8

04434-51710

CLIP

SN: 12109-UP

2шт.

8

0

CLIP

SN: 10047-12108

2шт.

9

01435-01016

BOLT

SN: 10047-UP

2шт.

10

01580-01008

NUT

SN: 10047-UP

2шт.

11

08053-01512

CLIP

SN: 10047-UP

8шт.

12

01435-01016

BOLT

SN: 10047-UP

8шт.

13

04434-51410

CLIP

SN: 12109-UP

4шт.

13

0

CLIP

SN: 10047-12108

4шт.

14

01435-01016

BOLT

SN: 13217-UP

2шт.

14

01435-01016

BOLT

SN: 10047-13216

4шт.

14A

01435-01025

BOLT

SN: 13217-UP

2шт.

15

04434-50810

CLIP

SN: 12109-UP

2шт.

15

0

CLIP

SN: 10047-12108

2шт.

16

04434-52511

CLIP

SN: 12109-UP

2шт.

16

0

CLIP

SN: 10047-12108

2шт.

17

01435-01016

BOLT

SN: 10047-UP

4шт.

18

6215-81-6431

COVER

SN: 10047-UP

2шт.

19

01435-00816

BOLT

SN: 10047-UP

8шт.

20

04434-51210

CLIP

SN: 12109-UP

2шт.

20

0

CLAMP

SN: 10047-12108

2шт.

21

01435-01016

BOLT

SN: 10047-UP

2шт.

22

04434-51210

CLIP

SN: 12109-UP

2шт.

22

0

CLAMP

SN: 10047-12108

2шт.

23

206-01-44320

SPACER

SN: 10047-UP

2шт.

24

01435-01060

BOLT

SN: 10047-UP

2шт.

25

04435-51210

CLIP

SN: 12109-UP

2шт.

25

0

CLAMP

SN: 10047-12108

2шт.

26

08034-00519

BAND

SN: 10047-UP

4шт.

27

6151-71-2980

SPACER

SN: 13217-UP

2шт.

Выбрано товаров: 36