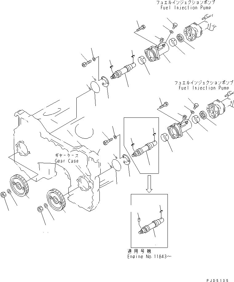
Запчасти Komatsu SA12V140-1R ПРИВОД ТОПЛ. НАСОСА ДВИГАТЕЛЬ

Схема запчастей Komatsu SA12V140-1R - ПРИВОД ТОПЛ. НАСОСА ДВИГАТЕЛЬ
1
1
2
2
2
2
3
3
4
4
5
5
6
7
7
8
8
9
9
10
10
11
11
12
12
13
13
13
13
14
14
15
15
16
16
16
16
16
17
17
18
18
19
FIT
1:1
100%

Артикул

Название

Примечание

Количество

|1

6215-71-3103

HOUSING ASS'Y

SN: 12378-UP

2шт.

|1

0

HOUSING ASS'Y

SN: 11640-12377

2шт.

1

0

HOUSING,INJECTION DRIVE

SN: 12740-UP

1шт.

|1

0

HOUSING,INJECTION DRIVE

SN: 11640-12739

1шт.

2

6210-21-1790

BUSHING

SN: 11640-UP

2шт.

3

07043-50108

PLUG

SN: 11640-UP

1шт.

4

07040-11007

PLUG

SN: 11640-UP

2шт.

5

07005-01012

GASKET (K2)

SN: 11640-UP

2шт.

6

6215-71-3210

SHAFT,R.H.

SN: 11640-UP

1шт.

7

6215-71-3251

SHAFT,L.H.

SN: 11843-UP

1шт.

|7

0

SHAFT,L.H.

SN: 11640-11842

1шт.

|$$12

(6215-71-3251{6222-75-3550¤6150-71-3160)}

-1шт.

8

6215-71-3160

PLATE,THRUST

SN: 11640-UP

2шт.

9

01252-30820

BOLT

SN: 11640-UP

6шт.

10

6215-71-3170

WASHER

SN: 12796-UP

6шт.

|10

0

WASHER

SN: 11640-12795

6шт.

11

6215-71-3281

SEAL,OIL (K2)

SN: 12378-UP

2шт.

|11

0

SEAL,OIL (K2)

SN: 11640-12377

2шт.

12

07000-72100

O-RING (K2)

SN: 12472-UP

2шт.

|12

0

O-RING (K2)

SN: 11640-12471

2шт.

13

07000-72020

O-RING (K2)

SN: 12472-UP

4шт.

|13

0

O-RING (K2)

SN: 11640-12471

4шт.

14

01010-81230

BOLT

SN: 11640-UP

8шт.

15

6215-71-3241

GEAR,INJECTION DRIVE

SN: 11640-UP

2шт.

|15

0

GEAR,INJECTION DRIVE

SN: (11640-11772)

2шт.

16

6150-71-3160

KEY

SN: 11843-UP

3шт.

|16

6150-71-3160

KEY

SN: 11640-11842

4шт.

17

01583-12213

NUT

SN: 11640-UP

2шт.

18

01643-32260

WASHER

SN: 11640-UP

2шт.

19

6222-75-3550

PIN

SN: 11843-UP

1шт.

Выбрано товаров: 30