Запчасти Komatsu SA12V140-1R ВОЗВРАТ ТОПЛИВА (ЛЕВ. ГРУПП.)(№79-) ДВИГАТЕЛЬ

Схема запчастей Komatsu SA12V140-1R - ВОЗВРАТ ТОПЛИВА (ЛЕВ. ГРУПП.)(№79-) ДВИГАТЕЛЬ
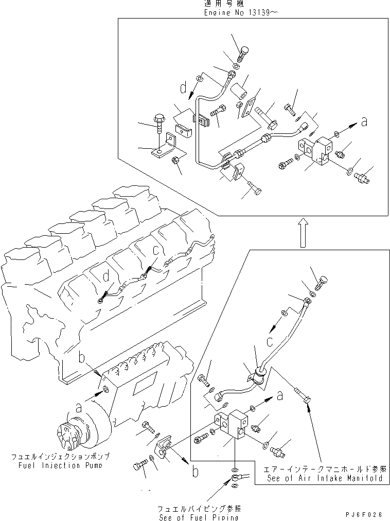
1
1
2
2
3
3
4
4
5
5
6
6
7
7
8
8
9
9
10
11
12
13
14
15
16
17
18
19
20
20
21
21
22
22
23
24
FIT
1:1
100%

Артикул

Название

Примечание

Количество

1

6210-71-5370

BOLT,JOINT

SN: 12796-UP

1шт.

2

07005-00812

GASKET (K2)

SN: 12796-UP

1шт.

3

6215-71-8822

TUBE

SN: 13139-UP

1шт.

|3

0

TUBE

SN: 12796-13138

1шт.

4

6215-71-8470

JOINT

SN: 13139-UP

1шт.

|4

0

JOINT

SN: 12796-13138

1шт.

5

07206-30508

BOLT,JOINT

SN: 12796-UP

1шт.

6

07005-00812

GASKET (K2)

SN: 12796-UP

2шт.

7

208-06-11220

NIPPLE

SN: 12796-UP

1шт.

8

07005-01412

GASKET (K2)

SN: 12796-UP

1шт.

9

6152-71-9990

JOINT

SN: 12796-UP

1шт.

10

04434-51210

CLIP

SN: 12796-13138

1шт.

11

6215-71-1970

CUSHION

SN: 12796-13138

1шт.

12

6215-71-9450

BRACKET

SN: 12796-UP

1шт.

13

01010-81020

BOLT

SN: 12796-UP

1шт.

14

01643-31032

WASHER

SN: 12796-UP

1шт.

15

01010-80825

BOLT

SN: 12796-UP

1шт.

16

01643-30823

WASHER

SN: 12796-UP

1шт.

17

6215-71-8460

PLATE

SN: 13139-UP

1шт.

18

6167-21-5910

SPACER

SN: 13139-UP

1шт.

19

6215-21-6550

BOLT

SN: 13139-UP

1шт.

20

6215-71-5292

CLAMP

SN: 13139-UP

4шт.

21

01010-80630

BOLT

SN: 13139-UP

2шт.

22

01580-00605

NUT

SN: 13139-UP

2шт.

23

6215-71-8480

BRACKET

SN: 13139-UP

1шт.

24

01435-01220

BOLT

SN: 13139-UP

1шт.

Выбрано товаров: 26