Запчасти Komatsu SA12V140-1R ЛИНИЯ КОМПРЕССОРА (/)(№-) ДВИГАТЕЛЬ

Схема запчастей Komatsu SA12V140-1R - ЛИНИЯ КОМПРЕССОРА (/)(№-) ДВИГАТЕЛЬ
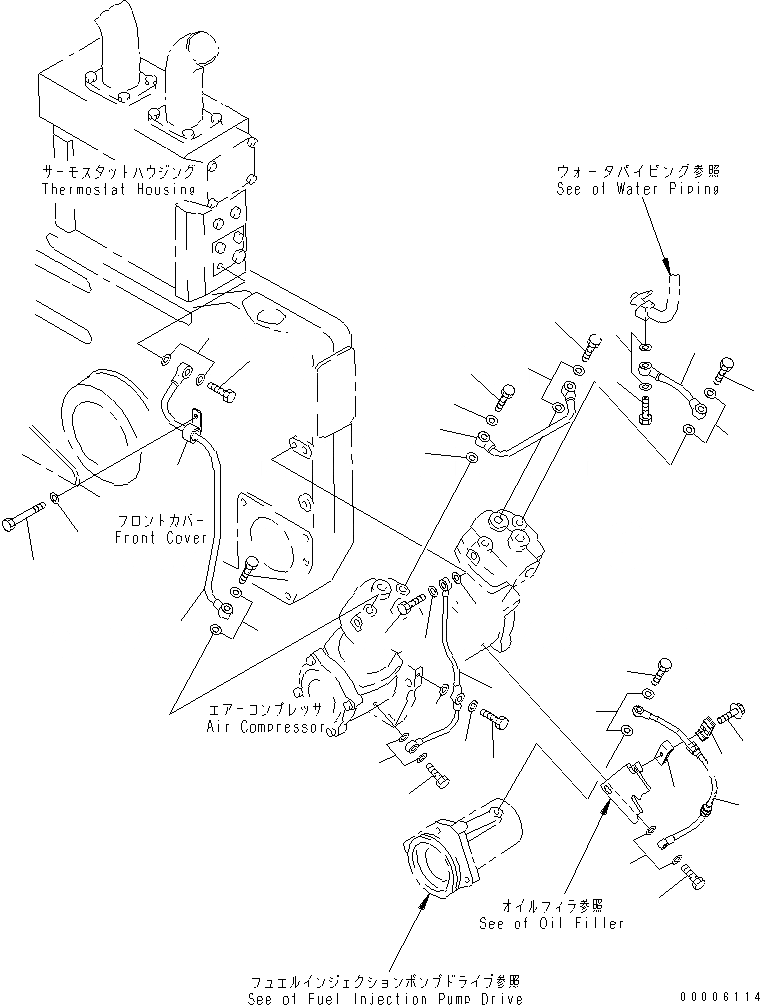
1
2
3
4
4
4
4
4
4
5
5
5
5
5
5
5
6
7
8
9
10
10
10
10
11
11
11
11
11
11
11
12
13
14
14
15
FIT
1:1
100%

Артикул

Название

Примечание

Количество

1

6215-81-5330

TUBE,WATER

SN: 13303-UP

1шт.

2

6215-81-5311

TUBE,WATER

SN: 13303-UP

1шт.

3

6215-81-5320

TUBE,WATER

SN: 13303-UP

1шт.

4

07206-31014

BOLT,JOINT

SN: 13303-UP

6шт.

5

07005-01412

GASKET (K8)

SN: 13303-UP

12шт.

6

6215-81-5410

CLIP

SN: 13303-UP

1шт.

7

6215-81-5221

TUBE

SN: 13303-UP

1шт.

8

6215-81-5212

TUBE

SN: 13303-UP

1шт.

9

6150-51-9470

BOLT,JOINT

SN: 13303-UP

1шт.

10

07206-30710

BOLT,JOINT

SN: 13303-UP

4шт.

11

07005-01012

GASKET (K8)

SN: 13303-UP

10шт.

12

01011-81250

BOLT

SN: 13303-UP

1шт.

13

01643-31232

WASHER

SN: 13303-UP

1шт.

14

6162-75-5820

CLAMP

SN: 13303-UP

2шт.

15

01435-00635

BOLT

SN: 13303-UP

1шт.

Выбрано товаров: 0