Запчасти Komatsu SA12V140-1S-A ТОПЛ. НАСОС КОРПУС (ДЛЯ ЭЛЕКТРИЧ. РЕГУЛЯТОРА)(№7-) ДВИГАТЕЛЬ

Схема запчастей Komatsu SA12V140-1S-A - ТОПЛ. НАСОС КОРПУС (ДЛЯ ЭЛЕКТРИЧ. РЕГУЛЯТОРА)(№7-) ДВИГАТЕЛЬ
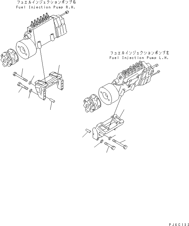
1
1
2
2
3
3
4
4
5
5
5
5
1
1
2
2
3
3
4
4
5
5
5
5
FIT
1:1
100%

Артикул

Название

Примечание

Количество

1

6215-71-6121

BRACKET

SN: 12670-UP

2шт.

2

04020-01024

PIN,DOWEL

SN: 12670-UP

4шт.

3

01010-81095

BOLT

SN: 10034-UP

8шт.

4

01010-81070

BOLT

SN: 12670-UP

4шт.

5

01643-31032

WASHER

SN: 12670-UP

12шт.

1

6215-71-6121

BRACKET

SN: 12670-UP

2шт.

2

04020-01024

PIN,DOWEL

SN: 12670-UP

4шт.

3

01010-81095

BOLT

SN: 10034-UP

8шт.

4

01010-81070

BOLT

SN: 12670-UP

4шт.

5

01643-31032

WASHER

SN: 12670-UP

12шт.

Выбрано товаров: 0