Запчасти Komatsu SA12V140-1S-A МАСЛ. ФИЛЬТР (VHMS СПЕЦ-Я.)(№7-) ДВИГАТЕЛЬ

Схема запчастей Komatsu SA12V140-1S-A - МАСЛ. ФИЛЬТР (VHMS СПЕЦ-Я.)(№7-) ДВИГАТЕЛЬ
1
1
2
3
4
5
6
7
8
9
10
10
10
11
12
12
13
14
14
14
15
16
17
18
18
18
19
20
21
22
23
23
24
24
25
25
26
27
27
28
29
30
31
32
1
1
2
3
4
5
6
7
8
9
10
10
10
11
12
12
13
14
14
14
15
16
17
18
18
18
19
20
21
22
23
23
24
24
25
25
26
27
27
28
29
30
31
32
FIT
1:1
100%

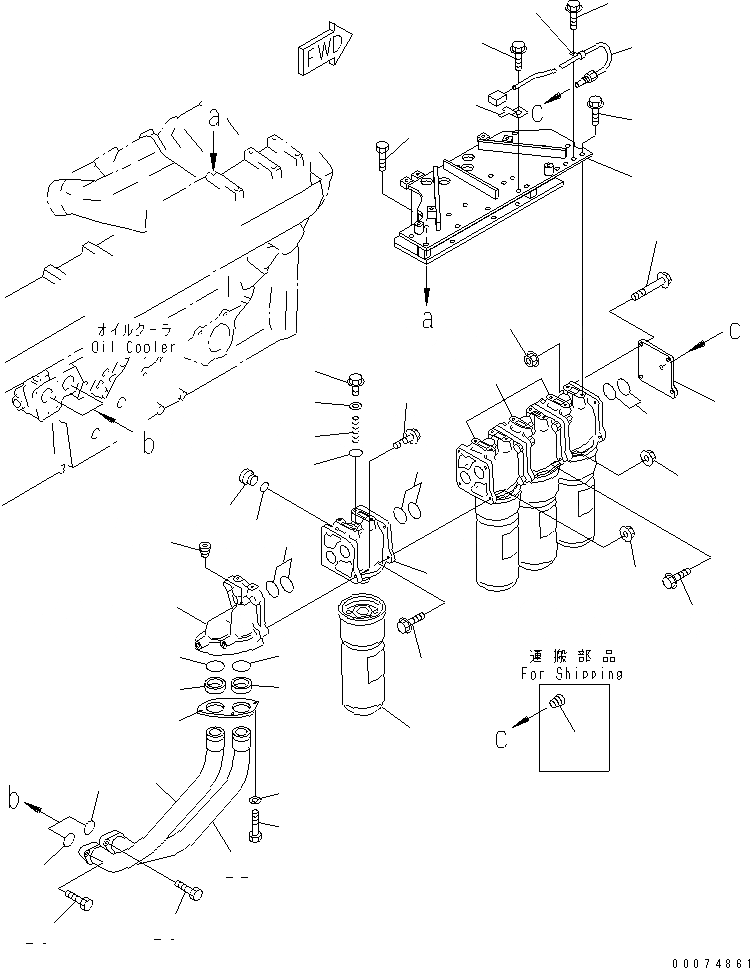
Артикул

Название

Примечание

Количество

|$2

6215-51-6300

OIL FILTER ASS'Y

SN: 14427-UP

1шт.

|$3

600-211-1101

OIL FILTER SUB A.

SN: 14427-UP

4шт.

1

600-211-1120

HEAD

SN: 14427-UP

4шт.

2

600-211-1231

CARTRIDGE

SN: 14427-UP

4шт.

3

600-211-1130

PLUG

SN: 14427-UP

4шт.

4

600-211-1140

O-RING

SN: 14427-UP

4шт.

5

600-211-1870

SPRING

SN: 14427-UP

4шт.

6

6162-53-5420

CAP

SN: 14427-UP

4шт.

7

6162-53-5430

PACKING

SN: 14427-UP

4шт.

8

6162-53-5450

PACKING

SN: 14427-UP

4шт.

9

6215-51-5240

COVER

SN: 14427-UP

1шт.

10

07000-73050

O-RING

SN: 14427-UP

14шт.

11

01435-01040

BOLT

SN: 14427-UP

4шт.

12

01435-01045

BOLT

SN: 14427-UP

12шт.

13

01435-01030

BOLT

SN: 14427-UP

4шт.

14

01584-01008

NUT

SN: 14427-UP

16шт.

15

6215-51-5730

CONNECTOR

SN: 14427-UP

1шт.

16

07043-70211

PLUG,(FRO SHIPPING)

SN: 14427-UP

1шт.

17

6215-51-5790

BRACKET

SN: 14427-UP

1шт.

18

01435-01030

BOLT

SN: 14427-UP

9шт.

19

01010-81025

BOLT

SN: 14427-UP

6шт.

20

07043-00108

PLUG

SN: 14427-UP

1шт.

21

6215-51-5771

TUBE

SN: 14427-UP

1шт.

22

6215-51-5781

TUBE

SN: 14427-UP

1шт.

23

01010-81030

BOLT

SN: 14427-UP

4шт.

24

07000-73045

O-RING (K2)

SN: 14427-UP

2шт.

25

6164-61-6340

O-RING (K2)

SN: 14427-UP

2шт.

26

6215-51-5650

PLATE

SN: 14427-UP

1шт.

27

6215-51-5690

GROMMET (K2)

SN: 14427-UP

2шт.

28

01010-81030

BOLT

SN: 14427-UP

3шт.

29

01640-21016

WASHER

SN: 14427-UP

3шт.

30

7861-93-3500

SENSOR

SN: 14427-UP

1шт.

31

08193-20010

CLIP

SN: 14427-UP

1шт.

32

04434-50510

CLIP

SN: 14427-UP

1шт.

|$2

6215-51-6300

OIL FILTER ASS'Y

SN: 14427-UP

1шт.

|$3

600-211-1101

OIL FILTER SUB A.

SN: 14427-UP

4шт.

1

600-211-1120

HEAD

SN: 14427-UP

4шт.

2

600-211-1231

CARTRIDGE

SN: 14427-UP

4шт.

3

600-211-1130

PLUG

SN: 14427-UP

4шт.

4

600-211-1140

O-RING

SN: 14427-UP

4шт.

5

600-211-1870

SPRING

SN: 14427-UP

4шт.

6

6162-53-5420

CAP

SN: 14427-UP

4шт.

7

6162-53-5430

PACKING

SN: 14427-UP

4шт.

8

6162-53-5450

PACKING

SN: 14427-UP

4шт.

9

6215-51-5240

COVER

SN: 14427-UP

1шт.

10

07000-73050

O-RING

SN: 14427-UP

14шт.

11

01435-01040

BOLT

SN: 14427-UP

4шт.

12

01435-01045

BOLT

SN: 14427-UP

12шт.

13

01435-01030

BOLT

SN: 14427-UP

4шт.

14

01584-01008

NUT

SN: 14427-UP

16шт.

15

6215-51-5730

CONNECTOR

SN: 14427-UP

1шт.

16

07043-70211

PLUG,(FRO SHIPPING)

SN: 14427-UP

1шт.

17

6215-51-5790

BRACKET

SN: 14427-UP

1шт.

18

01435-01030

BOLT

SN: 14427-UP

9шт.

19

01010-81025

BOLT

SN: 14427-UP

6шт.

20

07043-00108

PLUG

SN: 14427-UP

1шт.

21

6215-51-5771

TUBE

SN: 14427-UP

1шт.

22

6215-51-5781

TUBE

SN: 14427-UP

1шт.

23

01010-81030

BOLT

SN: 14427-UP

4шт.

24

07000-73045

O-RING (K2)

SN: 14427-UP

2шт.

25

6164-61-6340

O-RING (K2)

SN: 14427-UP

2шт.

26

6215-51-5650

PLATE

SN: 14427-UP

1шт.

27

6215-51-5690

GROMMET (K2)

SN: 14427-UP

2шт.

28

01010-81030

BOLT

SN: 14427-UP

3шт.

29

01640-21016

WASHER

SN: 14427-UP

3шт.

30

7861-93-3500

SENSOR

SN: 14427-UP

1шт.

31

08193-20010

CLIP

SN: 14427-UP

1шт.

32

04434-50510

CLIP

SN: 14427-UP

1шт.

Выбрано товаров: 68