Запчасти Komatsu SA12V140-1S-DA БЛОК ЦИЛИНДРОВ(№-88) ДВИГАТЕЛЬ

Схема запчастей Komatsu SA12V140-1S-DA - БЛОК ЦИЛИНДРОВ(№-88) ДВИГАТЕЛЬ
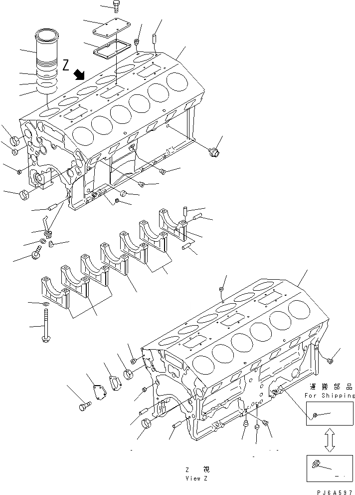
1
1
2
2
3
4
5
6
7
8
8
8
8
9
10
11
12
13
14
14
15
15
15
15
15
16
17
17
18
19
20
20
20
21
22
23
24
25
26
27
28
29
30
31
32
33
34
35
36
37
FIT
1:1
100%

Артикул

Название

Примечание

Количество

|$1

6215-21-1201

CYLINDER BLOCK ASS'Y

SN: 11042-11858

1шт.

|$2

0

CYLINDER BLOCK ASS'Y

SN: 10001-11041

1шт.

1

0

BLOCK,CYLINDER

SN: 11042-11858

1шт.

1

0

BLOCK,CYLINDER

SN: 10001-11041

1шт.

2

0

CAP,MAIN METAL, NO.1,2,3,5,6

SN: 11042-11858

5шт.

2

0

CAP,MAIN METAL, NO.1,2,3,5,6

SN: 10001-11041

5шт.

3

0

CAP,MAIN METAL, NO.4

SN: 11042-11858

1шт.

3

0

CAP,MAIN METAL, NO.4

SN: 10001-11041

1шт.

4

0

CAP,MAIN METAL, NO.7

SN: 11042-11858

1шт.

4

0

CAP,MAIN METAL, NO.7

SN: 10001-11041

1шт.

5

04020-00820

PIN,DOWEL

SN: 10001-11858

2шт.

6

6215-21-1710

BOLT,MAIN CAP

SN: 10001-11858

14шт.

7

01643-32460

WASHER

SN: 10001-11858

14шт.

8

6210-21-1490

BUSHING,CAMSHAFT

SN: 10001-11858

14шт.

9

6210-81-9210

PLUG,EXPANSION

SN: 10001-11858

2шт.

10

07046-44016

PLUG,EXPANSION

SN: 10001-11858

2шт.

11

04020-00820

PIN,DOWEL

SN: 10001-11858

24шт.

12

04020-01434

PIN,DOWEL

SN: 10001-11858

2шт.

13

6127-21-1160

PIN,DOWEL

SN: 10001-11858

2шт.

14

6210-81-9210

PLUG,EXPANSION

SN: 10001-11858

10шт.

15

07043-70108

PLUG

SN: 10001-11858

24шт.

16

07043-70617

PLUG

SN: 10001-11858

1шт.

17

07046-42010

PLUG,EXPANSION

SN: 10001-11858

2шт.

18

07046-42516

PLUG,EXPANSION

SN: 10001-11858

4шт.

19

07043-70211

PLUG

SN: 10001-11858

1шт.

20

6210-21-1390

PIN,METAL THRUST

SN: 10001-11858

6шт.

21

6215-21-5490

BUSHING

SN: 10001-11858

1шт.

22

6215-21-9210

PLUG,EXPANSION

SN: 10001-11858

1шт.

23

6215-21-1610

COVER

SN: 10001-11858

3шт.

24

6215-21-1681

GASKET (K2)

SN: 10449-11858

3шт.

24

0

GASKET (K2)

SN: 10001-10448

3шт.

25

01010-81225

BOLT

SN: 10001-11858

18шт.

26

6215-21-6460

COVER

SN: 10001-11858

2шт.

27

6215-21-6480

GASKET (K2)

SN: 10001-11858

2шт.

28

01010-81225

BOLT

SN: 10001-11858

8шт.

|$36

6211-21-1900

NOZZLE ASS'Y

SN: 11042-11858

12шт.

|$37

6211-21-1800

NOZZLE ASS'Y

SN: 10001-11041

12шт.

29

6211-21-1910

NOZZLE,PISTON COOLING

SN: 11042-11858

1шт.

29

6211-21-1820

NOZZLE,PISTON COOLING

SN: 10001-11041

1шт.

30

02720-40104

PLUG

SN: 10001-11858

1шт.

31

01437-01025

BOLT

SN: 10001-11858

12шт.

31

01437-01020

BOLT

SN: 10001-11858

12шт.

32

01641-21016

WASHER

SN: 10001-11858

12шт.

33

6211-22-2220

LINER,CYLINDER

SN: 11814-11858

12шт.

33

0

LINER,CYLINDER

SN: 11042-11813

12шт.

33

0

LINER,CYLINDER

SN: 10001-11041

12шт.

34

6210-21-2270

SEAL,CREVICE (K2)

SN: 11042-11858

12шт.

34

0

SEAL,CREVICE (K2)

SN: 10001-11041

12шт.

35

6210-21-2240

O-RING,CENTER (K2)

SN: 10001-11858

12шт.

36

6210-21-2230

O-RING,LOWER (K2)

SN: 10001-11858

12шт.

37

08073-10505

SWITCH,OIL PRESSURE

SN: 10001-11858

1шт.

Выбрано товаров: 51