Качественные детали и логистика
Оригинальные и аналоговые запчасти с доставкой по России, Казахстану и Беларуси
©2022 PartSell ООО "Система" ИНН 2463123282 ОГРН 1212400004838
Центральный офис: г. Красноярск, Академика Киренского, д.87, пом.4
Телефон: 8 (800) 777-65-74 Email: zakaz@partsell.ru
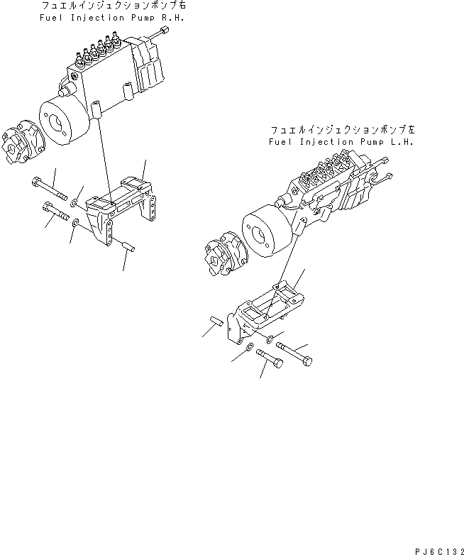
ТОПЛ. НАСОС КОРПУС (ДЛЯ ЭЛЕКТРИЧ. РЕГУЛЯТОРА)(№7-)
№
Артикул
Название
Примечание
Количество
1
6215-71-6121
BRACKET
SN: 12670-UP
2шт.
2
04020-01024
PIN,DOWEL
4шт.
3
01010-81095
BOLT
SN: 11755-UP
8шт.
4
01010-81070
5
01643-31032
WASHER
12шт.
Выбрано товаров: 0