Запчасти Komatsu SA12V140-1S КОРПУС ШЕСТЕРЕНН. ПЕРЕДАЧИ(№-98) ДВИГАТЕЛЬ

Схема запчастей Komatsu SA12V140-1S - КОРПУС ШЕСТЕРЕНН. ПЕРЕДАЧИ(№-98) ДВИГАТЕЛЬ
1
2
3
3
4
5
6
7
8
8
9
FIT
1:1
100%

Артикул

Название

Примечание

Количество

|1

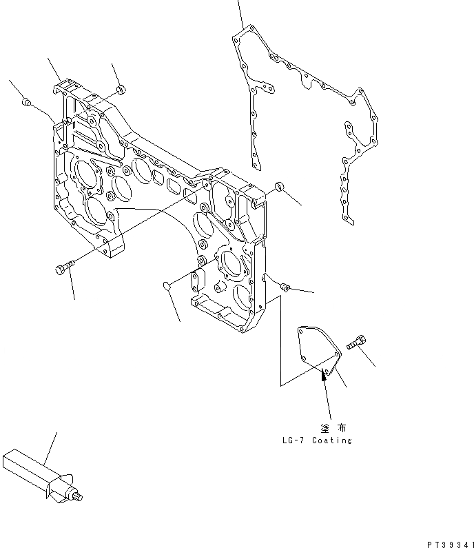
6215-21-3021

GEAR CASE ASS'Y

SN: 11640-11948

1шт.

1

0

CASE,GEAR

SN: 11640-11948

1шт.

2

07046-11816

PLUG,EXPANSION

SN: 11640-11948

9шт.

3

07043-70108

PLUG,TAPER

SN: 11640-11948

4шт.

4

6215-21-3820

GASKET (K2)

SN: 11640-11948

1шт.

5

01010-81230

BOLT

SN: 11640-11948

13шт.

6

6215-21-1860

COVER

SN: 11640-11948

1шт.

7

01010-81220

BOLT

SN: 11640-11948

4шт.

8

6215-71-8421

BUSHING

SN: 11640-11948

2шт.

9

09920-00150

LIQUID GASKET,LG-7¤ 150G

SN: 11640-11948

-2шт.

Выбрано товаров: 10