Запчасти Komatsu SA12V140-1U-A ТОПЛ. НАСОС (НАСОС) (ЛЕВ.) (/) (ДЛЯ МЕХАНИЧ. РЕГУЛИР.) (ВНУТР. ЧАСТИ)(№7-) ДВИГАТЕЛЬ

Схема запчастей Komatsu SA12V140-1U-A - ТОПЛ. НАСОС (НАСОС) (ЛЕВ.) (/) (ДЛЯ МЕХАНИЧ. РЕГУЛИР.) (ВНУТР. ЧАСТИ)(№7-) ДВИГАТЕЛЬ
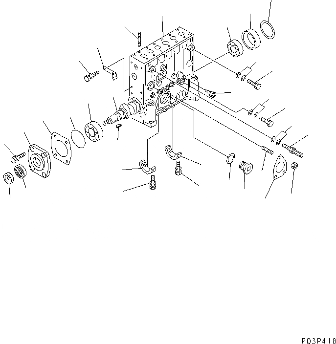
1
2
3
4
5
6
7
8
9
10
11
12
13
14
15
16
17
18
19
20
21
22
23
24
25
26
27
28
29
30
31
32
FIT
1:1
100%

Артикул

Название

Примечание

Количество

|$1

6215-71-2110

INJECTION PUMP A.,L.H.

SN: 11755-UP

1шт.

|$$2

THIS ASSEMBLY CONSISTS OF ALL PARTS SHOWN IN FIGS.A4010-B7D2 TO A4010-H7D2.

-1шт.

|$4

DK106068-2042

PUMP ASS'Y

SN: 11755-UP

1шт.

|$$4

THIS ASSEMBLY CONSISTS OF ALL PARTS SHOWN IN FIGS.A4010-B7D2 AND A4010-C7D2.

-1шт.

1

DK134070-0420

HOUSING

SN: 11755-UP

1шт.

2

DK029040-6020

STUD

SN: 11755-UP

3шт.

3

DK134311-0000

RING

SN: 11755-UP

1шт.

4

DK134138-0100

STUD

SN: 11755-UP

12шт.

5

DK016650-2230

BEARING

SN: 11755-UP

1шт.

6

DK134303-0500

SHIM

SN: 11755-UP

1шт.

7

DK139006-4200

BOLT

SN: 11755-UP

4шт.

8

DK134340-0100

CAMSHAFT

SN: 11755-UP

1шт.

9

DK134306-1000

BEARING,CENTER

SN: 11755-UP

1шт.

10

DK020106-2040

BOLT

SN: 11755-UP

2шт.

11

DK134306-1100

BEARING,CENTER

SN: 11755-UP

2шт.

12

DK020106-2040

BOLT

SN: 11755-UP

4шт.

13

DK035302-0600

BEARING

SN: 11755-UP

1шт.

14

DK134316-3300

COVER

SN: 11755-UP

1шт.

15

DK139634-0200

SEAL,OIL

SN: 11755-UP

1шт.

16

DK134314-0700

SHIM, 0.10MM

SN: 11755-UP

-2шт.

16

DK134314-0800

SHIM, 0.12MM

SN: 11755-UP

-2шт.

16

DK134314-0900

SHIM, 0.14MM

SN: 11755-UP

-2шт.

16

DK134314-1000

SHIM, 0.16MM

SN: 11755-UP

-2шт.

16

DK134314-1100

SHIM, 0.18MM

SN: 11755-UP

-2шт.

16

DK134314-1200

SHIM, 0.30MM

SN: 11755-UP

-2шт.

16

DK134314-1300

SHIM, 0.50MM

SN: 11755-UP

-2шт.

17

DK139766-0000

O-RING

SN: 11755-UP

1шт.

18

DK134563-2500

SLEEVE

SN: 11755-UP

1шт.

19

DK134045-0100

PLUG

SN: 11755-UP

1шт.

20

DK026524-2940

GASKET

SN: 11755-UP

1шт.

21

DK139206-0400

NUT

SN: 11755-UP

3шт.

22

DK131041-0800

GASKET

SN: 11755-UP

1шт.

23

DK134047-0000

PLUG

SN: 11755-UP

6шт.

24

DK025806-2210

KEY

SN: 11755-UP

1шт.

25

DK134496-3400

POINTER

SN: 11755-UP

1шт.

26

DK020006-1240

BOLT

SN: 11755-UP

2шт.

27

DK029731-4680

BOLT,EYE

SN: 11755-UP

1шт.

28

DK029341-4130

GASKET

SN: 11755-UP

2шт.

29

DK131424-7120

VALVE,OVER FLOW

SN: 11755-UP

1шт.

30

DK029341-4130

GASKET

SN: 11755-UP

2шт.

31

DK029731-4680

BOLT,EYE

SN: 11755-UP

1шт.

32

DK029341-4130

GASKET

SN: 11755-UP

2шт.

Выбрано товаров: 42