Запчасти Komatsu SA12V140-1U ПЕРЕДН. КРЫШКА(ДЛЯ ЭЛЕКТРИЧ. РЕГУЛЯТОРА)(№7-98) ДВИГАТЕЛЬ

Схема запчастей Komatsu SA12V140-1U - ПЕРЕДН. КРЫШКА(ДЛЯ ЭЛЕКТРИЧ. РЕГУЛЯТОРА)(№7-98) ДВИГАТЕЛЬ
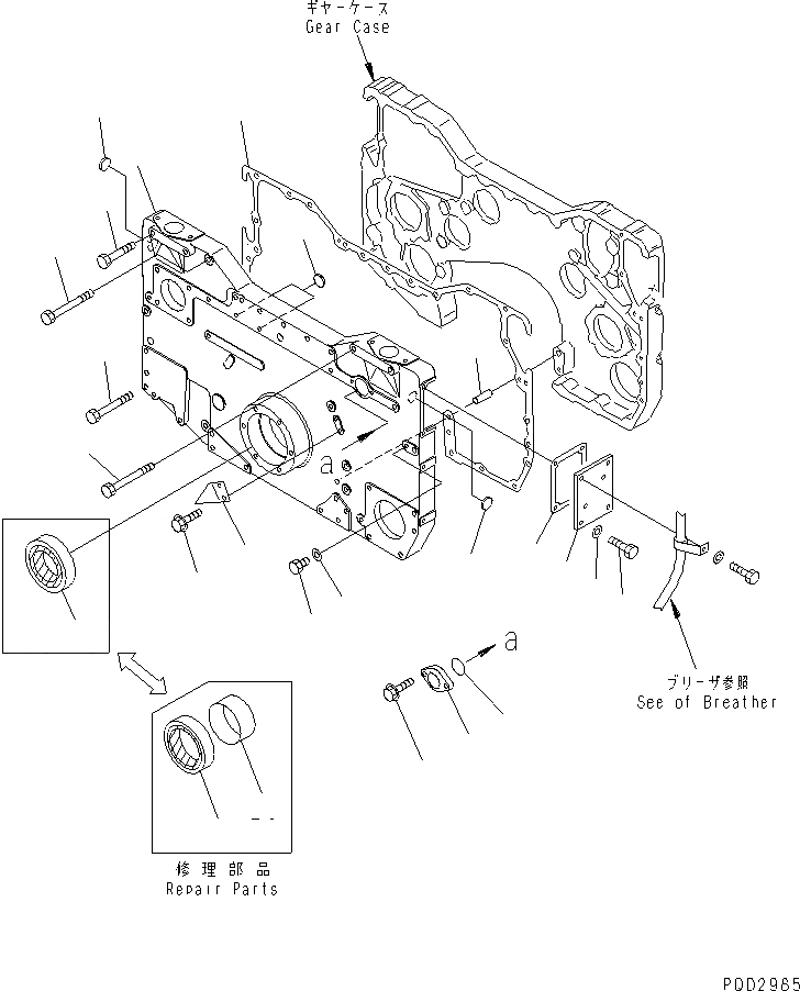
1
2
3
4
5
6
6
7
8
9
10
11
12
13
14
15
16
17
18
19
20
21
22
23
FIT
1:1
100%

Артикул

Название

Примечание

Количество

|1

6215-21-3032

FRONT COVER ASS'Y

SN: 11755-11948

1шт.

1

0

COVER

SN: 11755-11948

1шт.

2

07046-11816

PLUG

SN: 11755-11948

9шт.

3

07040-11007

PLUG

SN: 11755-11948

2шт.

4

07005-01012

GASKET

SN: 11755-11948

2шт.

5

6215-21-3811

GASKET (K2)

SN: 11755-11948

1шт.

6

07046-42816

PLUG

SN: 11755-11948

2шт.

7

01011-81245

BOLT

SN: 11755-11948

1шт.

8

01011-81230

BOLT

SN: 11755-11948

9шт.

9

01010-81290

BOLT

SN: 11755-11948

3шт.

10

01010-81275

BOLT

SN: 11755-11948

7шт.

11

04020-01434

PIN,DOWEL

SN: 11755-11948

2шт.

12

6215-71-3721

COVER

SN: 11755-11948

1шт.

13

6215-81-6190

GASKET (K2)

SN: 11755-11948

1шт.

14

01010-81025

BOLT

SN: 11755-11948

3шт.

15

01643-31032

WASHER

SN: 11755-11948

3шт.

16

6215-21-3350

POINTER

SN: 11755-11948

1шт.

17

01435-20610

BOLT

SN: 11755-11948

2шт.

18

6162-23-3510

SEAL¤ FRONT (K2)

SN: 11755-11948

1шт.

19

6144-81-5151

COVER

SN: 11755-11948

1шт.

20

07000-03050

O-RING (K2)

SN: 11755-11948

1шт.

21

01435-20612

BOLT

SN: 11755-11948

2шт.

|22

6215-29-4320

FRONT SEAL ASS'Y,(REPAIR PARTS)

SN: 11755-11948

1шт.

22

0

SEAL¤ FRONT

SN: 11755-11948

1шт.

23

0

SLEEVE

SN: 11755-11948

1шт.

Выбрано товаров: 25