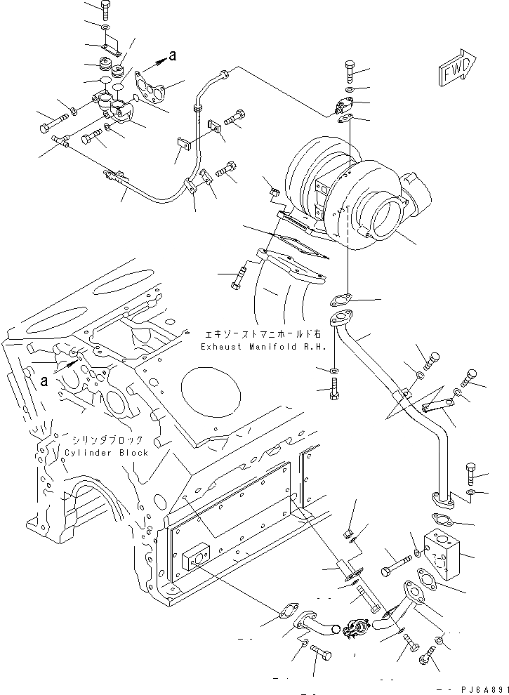
Запчасти Komatsu SA12V170-1D МАСЛОПРОВОДЯЩИЕ ТРУБКИ ТУРБОНАГНЕТАТЕЛЯ (ДВИГАТЕЛЬ ПРАВ. )(№9-) ДВИГАТЕЛЬ

Схема запчастей Komatsu SA12V170-1D - МАСЛОПРОВОДЯЩИЕ ТРУБКИ ТУРБОНАГНЕТАТЕЛЯ (ДВИГАТЕЛЬ ПРАВ. )(№9-) ДВИГАТЕЛЬ
1
2
3
4
5
6
7
8
9
10
11
11
11
12
13
14
15
16
17
18
19
20
20
20
20
21
22
23
23
23
23
24
24
24
24
25
25
26
27
28
29
29
30
31
32
33
34
35
35
36
37
38
38
38
39
40
41
42
43
44
45
FIT
1:1
100%

Артикул

Название

Примечание

Количество

1

6502-30-8061

TURBOCHARGER ASS'Y,R.H. (SEE FIG.A1530-C8A1A)

SN: 10155-UP

1шт.

2

6162-83-2810

GASKET

SN: 10024-UP

1шт.

3

6164-11-4450

BOLT

SN: 10024-UP

4шт.

4

6685-11-5550

NUT

SN: 10024-UP

4шт.

5

07218-50813

TEE

SN: 10024-UP

1шт.

6

6166-51-8321

HOSE,R.H.

SN: 10193-UP

1шт.

7

6127-51-8330

FLANGE,R.H.

SN: 10024-UP

1шт.

8

6128-51-8152

GASKET (K1)

SN: 10029-UP

1шт.

9

01010-80835

BOLT

SN: 10024-UP

2шт.

10

01643-30823

WASHER

SN: 10193-UP

2шт.

11

6166-51-8190

CLAMP

SN: 10193-UP

3шт.

12

6166-51-8180

CLIP

SN: 10193-UP

1шт.

13

01010-81030

BOLT

SN: 10193-UP

1шт.

14

01010-81035

BOLT

SN: 10193-UP

1шт.

15

07332-00600

COUPLING ASS'Y

SN: 10193-UP

1шт.

16

6166-51-8540

TUBE,R.H.

SN: 10193-UP

1шт.

17

6166-51-8550

TUBE

SN: 10193-UP

1шт.

18

6166-51-8660

TUBE

SN: 10193-UP

1шт.

19

6166-51-8560

JOINT

SN: 10193-UP

1шт.

20

6127-51-6822

GASKET

SN: 10193-UP

4шт.

21

01010-81285

BOLT

SN: 10193-UP

2шт.

22

01643-31232

WASHER

SN: 10193-UP

2шт.

23

01010-81035

BOLT

SN: 10193-UP

8шт.

24

01643-31032

WASHER

SN: 10193-UP

8шт.

25

6166-51-8710

PLUG

SN: 10193-UP

2шт.

26

6166-51-8720

PLATE

SN: 10193-UP

1шт.

27

01010-80820

BOLT

SN: 10193-UP

2шт.

28

01643-30823

WASHER

SN: 10193-UP

2шт.

29

07000-33028

O-RING

SN: 10024-UP

2шт.

30

6165-51-8150

CONNECTOR

SN: 10024-UP

1шт.

31

6165-51-8171

GASKET

SN: 10026-UP

1шт.

32

07000-72020

O-RING

SN: 10181-UP

1шт.

33

01010-81030

BOLT

SN: 10024-UP

2шт.

34

01010-81070

BOLT

SN: 10024-UP

2шт.

35

01643-31032

WASHER

SN: 10193-UP

4шт.

36

01010-81025

BOLT

SN: 10193-UP

1шт.

37

01010-81080

BOLT

SN: 10193-UP

1шт.

38

01643-31032

WASHER

SN: 10193-UP

3шт.

39

01580-11008

NUT

SN: 10193-UP

1шт.

40

6166-51-8580

BRACKET

SN: 10193-UP

1шт.

41

6212-65-6390

PLATE

SN: 10193-UP

1шт.

42

01010-81225

BOLT

SN: 10193-UP

1шт.

43

01643-31232

WASHER

SN: 10193-UP

1шт.

44

01010-81020

BOLT

SN: 10193-UP

1шт.

45

01643-31032

WASHER

SN: 10193-UP

3шт.

Выбрано товаров: 0