Запчасти Komatsu SA6D102E-1B-7 МАСЛ. ПЕРЕКЛЮЧАТЕЛЬ ДАВЛЕНИЯAND ДАТЧИК ТЕМПЕРАТУРЫ ВОДЫ(№-) ДВИГАТЕЛЬ

Схема запчастей Komatsu SA6D102E-1B-7 - МАСЛ. ПЕРЕКЛЮЧАТЕЛЬ ДАВЛЕНИЯAND ДАТЧИК ТЕМПЕРАТУРЫ ВОДЫ(№-) ДВИГАТЕЛЬ
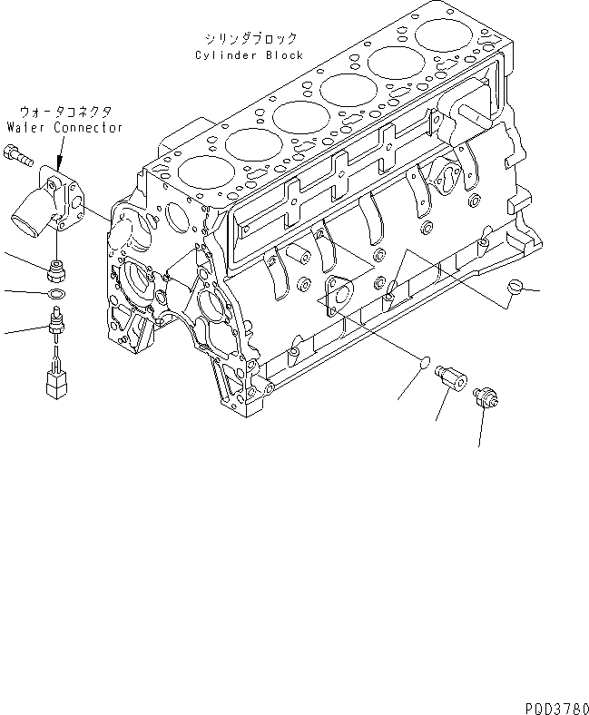
1
2
3
4
5
6
7
1
2
3
4
5
6
7
FIT
1:1
100%

Артикул

Название

Примечание

Количество

1

6732-21-5530

PLUG

SN: 26200929-UP

2шт.

2

08073-20505

SWITCH,OIL PRESSURE

SN: 26389637-UP

1шт.

2

0

SWITCH,OIL PRESSURE

SN: 26222350-26389636

1шт.

3

6732-81-3170

ADAPTER

SN: 26222350-UP

1шт.

4

6215-81-9710

O-RING

SN: 26222350-UP

1шт.

5

6732-61-8110

NIPPLE

SN: 26200929-UP

1шт.

6

600-815-7361

SENSOR,WATER TEMPERATURE

SN: 26200929-UP

1шт.

7

07005-01612

SEAL, WASHER (K2)

SN: 26200929-UP

1шт.

1

6732-21-5530

PLUG

SN: 26200929-UP

2шт.

2

08073-20505

SWITCH,OIL PRESSURE

SN: 26389637-UP

1шт.

2

0

SWITCH,OIL PRESSURE

SN: 26222350-26389636

1шт.

3

6732-81-3170

ADAPTER

SN: 26222350-UP

1шт.

4

6215-81-9710

O-RING

SN: 26222350-UP

1шт.

5

6732-61-8110

NIPPLE

SN: 26200929-UP

1шт.

6

600-815-7361

SENSOR,WATER TEMPERATURE

SN: 26200929-UP

1шт.

7

07005-01612

SEAL, WASHER (K2)

SN: 26200929-UP

1шт.

Выбрано товаров: 0