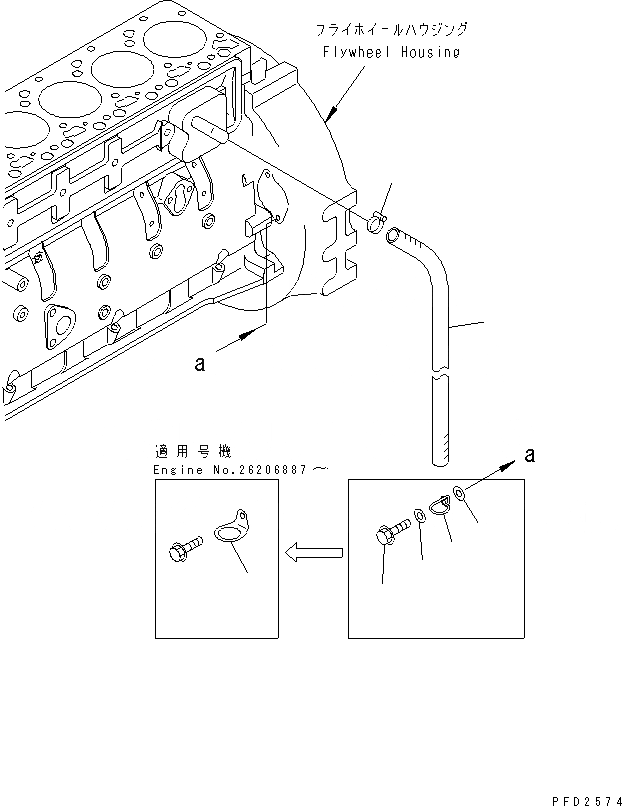
Запчасти Komatsu SA6D102E-1B-C ПАТРУБКИ САПУНА ДВИГАТЕЛЬ

Схема запчастей Komatsu SA6D102E-1B-C - ПАТРУБКИ САПУНА ДВИГАТЕЛЬ
1
2
2
3
3
4
5
FIT
1:1
100%

Артикул

Название

Примечание

Количество

1

07286-01942

HOSE

SN: 26200467-UP

1шт.

2

6735-21-4240

CLIP

SN: 26206887-UP

1шт.

|2

0

CLIP

SN: 26200467-26206886

1шт.

3

6201-81-6560

SPACER

SN: 26200467-26206886

2шт.

4

01435-20825

BOLT

SN: 26200467-26206886

1шт.

5

07285-00220

CLIP

SN: 26200467-UP

1шт.

Выбрано товаров: 6