Запчасти Komatsu SA6D102E-1B МАСЛ. ПЕРЕКЛЮЧАТЕЛЬ ДАВЛЕНИЯAND ДАТЧИК ТЕМПЕРАТУРЫ ВОДЫ(№78-97) ДВИГАТЕЛЬ

Схема запчастей Komatsu SA6D102E-1B - МАСЛ. ПЕРЕКЛЮЧАТЕЛЬ ДАВЛЕНИЯAND ДАТЧИК ТЕМПЕРАТУРЫ ВОДЫ(№78-97) ДВИГАТЕЛЬ
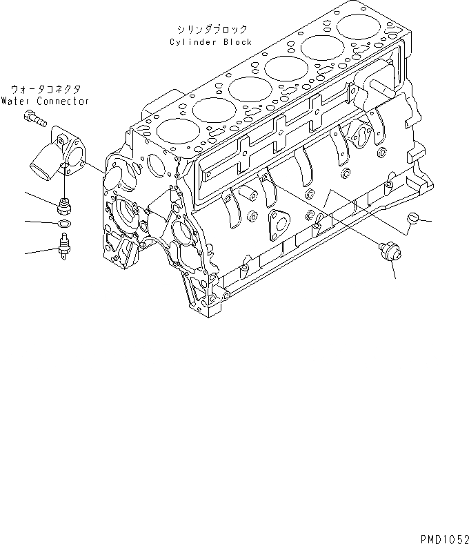
1
2
3
4
5
FIT
1:1
100%

Артикул

Название

Примечание

Количество

1

6732-21-5530

PLUG

SN: 26217580-@

2шт.

2

6732-81-3140

SWITCH,OIL PRESSURE

SN: 26217580-26222497

1шт.

3

6732-61-8110

NIPPLE

SN: 26217580-@

1шт.

4

600-815-7361

SENSOR,WATER TEMPERATURE

SN: 26217580-@

1шт.

5

07005-01612

GASKET

SN: 26217580-@

1шт.

Выбрано товаров: 5