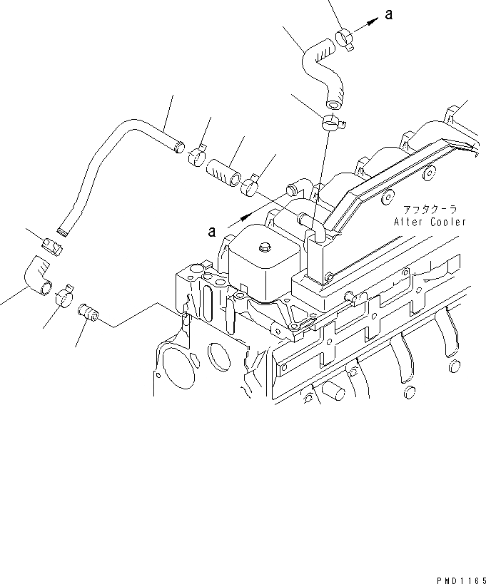
Запчасти Komatsu SA6D102E-1C-25 ПОСЛЕОХЛАДИТЕЛЬ ВОДН. ГИДРОЛИНИЯ(№8-) ДВИГАТЕЛЬ

Схема запчастей Komatsu SA6D102E-1C-25 - ПОСЛЕОХЛАДИТЕЛЬ ВОДН. ГИДРОЛИНИЯ(№8-) ДВИГАТЕЛЬ
1
2
2
2
2
2
2
3
4
5
6
FIT
1:1
100%

Артикул

Название

Примечание

Количество

1

6736-61-5110

COUPLING

SN: 26280463-UP

1шт.

2

07281-00289

CLAMP

SN: 26280463-UP

6шт.

3

6736-61-5130

HOSE

SN: 26280463-UP

1шт.

4

6736-61-5140

HOSE

SN: 26280463-UP

1шт.

5

6736-11-4450

TUBE

SN: 26280463-UP

1шт.

6

6736-11-4440

HOSE

SN: 26280463-UP

1шт.

Выбрано товаров: 6