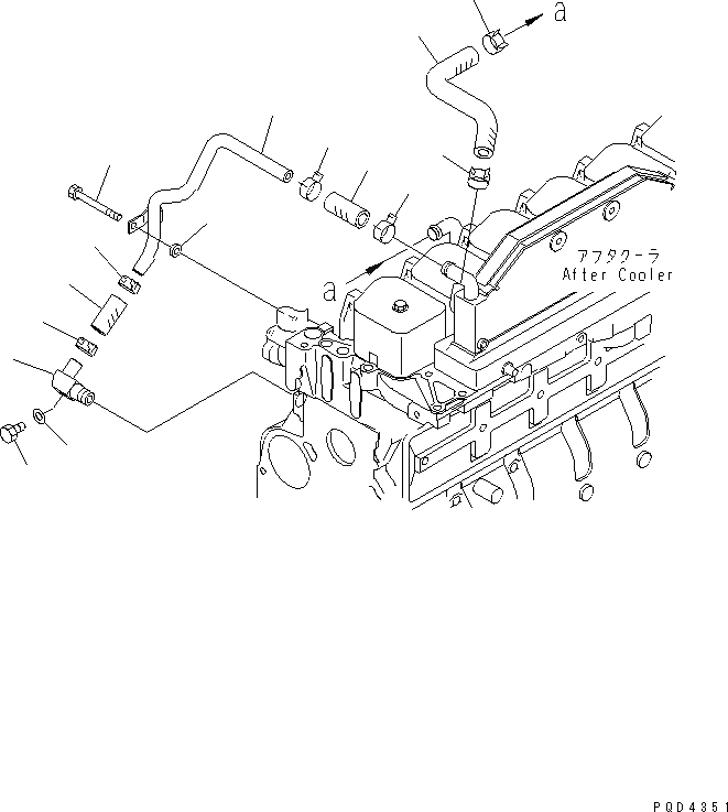
Запчасти Komatsu SA6D102E-1C-35 ПОСЛЕОХЛАДИТЕЛЬ ВОДН. ГИДРОЛИНИЯ(№7-8) ДВИГАТЕЛЬ

Схема запчастей Komatsu SA6D102E-1C-35 - ПОСЛЕОХЛАДИТЕЛЬ ВОДН. ГИДРОЛИНИЯ(№7-8) ДВИГАТЕЛЬ
1
2
3
4
4
4
4
4
4
5
6
7
8
9
10
FIT
1:1
100%

Артикул

Название

Примечание

Количество

1

6736-61-5230

ELBOW

SN: 26200467-26280462

1шт.

2

07005-01412

GASKET

SN: 26200467-26280462

1шт.

3

07040-11409

PLUG

SN: 26200467-26280462

1шт.

4

07281-00289

CLAMP

SN: 26200467-26280462

6шт.

5

6736-61-5220

HOSE

SN: 26200467-26280462

1шт.

6

6736-61-5141

HOSE

SN: 26200467-26280462

1шт.

7

6736-11-4452

TUBE

SN: 26200467-26280462

1шт.

8

6732-81-6690

SPACER

SN: 26200467-26280462

1шт.

9

6736-81-8730

BOLT

SN: 26200467-26280462

1шт.

10

6736-11-4441

HOSE

SN: 26200467-26280462

1шт.

Выбрано товаров: 10