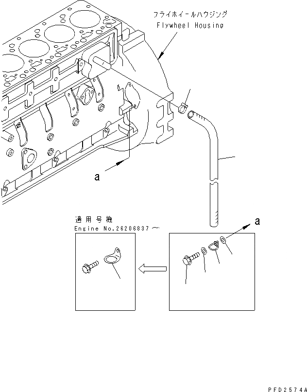
Запчасти Komatsu SA6D102E-1C-35 ПАТРУБКИ САПУНА(№-) ДВИГАТЕЛЬ

Схема запчастей Komatsu SA6D102E-1C-35 - ПАТРУБКИ САПУНА(№-) ДВИГАТЕЛЬ
1
2
2
3
3
4
5
FIT
1:1
100%

Артикул

Название

Примечание

Количество

1

07286-01978

HOSE

SN: 26201322-UP

1шт.

2

6735-21-4240

CLIP

SN: 26206837-UP

1шт.

|2

0

CLIP

SN: 26201322-26206836

1шт.

3

6201-81-6560

SPACER

SN: 26201322-26206836

2шт.

4

01435-20825

BOLT

SN: 26201322-26206836

1шт.

5

07285-00220

CLIP

SN: 26201322-UP

1шт.

Выбрано товаров: 0