Запчасти Komatsu SA6D102E-1C-7 ТЕРМОЗАЩИТА(№7-99) ДВИГАТЕЛЬ

Схема запчастей Komatsu SA6D102E-1C-7 - ТЕРМОЗАЩИТА(№7-99) ДВИГАТЕЛЬ
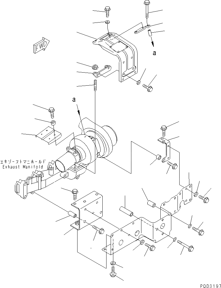
1
2
3
4
5
6
7
8
8
9
10
11
12
13
14
15
16
16
16
17
17
18
19
20
21
22
23
24
25
25
26
26
27
28
29
FIT
1:1
100%

Артикул

Название

Примечание

Количество

1

6732-81-8870

BRACKET

SN: 26200939-26233996

1шт.

2

6138-81-8660

SPACER

SN: 26200939-26233996

2шт.

3

01435-01060

BOLT

SN: 26200939-26233996

2шт.

4

01435-01020

BOLT

SN: 26200939-26233996

3шт.

5

6735-81-8710

BRACKET

SN: 26200939-26233996

1шт.

6

01435-01020

BOLT

SN: 26200939-26233996

1шт.

7

6735-81-8140

COVER

SN: 26200939-26233996

1шт.

8

01435-00820

BOLT

SN: 26200939-26233996

4шт.

9

6130-12-4571

SPACER

SN: 26200939-26233996

1шт.

10

01435-01060

BOLT

SN: 26200939-26233996

1шт.

11

6206-11-4590

SPACER

SN: 26200939-26233996

1шт.

12

01435-01095

BOLT

SN: 26200939-26233996

1шт.

13

22D-62-18450

SPACER

SN: 26200939-26233996

1шт.

14

01435-00816

BOLT

SN: 26220701-26233996

2шт.

15

01435-01035

BOLT

SN: 26200939-26233996

1шт.

16

6201-81-6560

SPACER

SN: 26200939-26233996

6шт.

17

01643-31032

WASHER

SN: 26200939-26233996

2шт.

18

6732-81-8420

BRACKET

SN: 26220701-26233996

1шт.

19

01140-61035

STUD

SN: 26220701-26233996

2шт.

20

6142-12-5850

NUT

SN: 26220701-26233996

2шт.

21

6732-81-8430

BRACKET

SN: 26220701-26233996

1шт.

22

6732-81-8440

SPACER

SN: 26220701-26233996

1шт.

23

01435-00845

BOLT

SN: 26220701-26233996

1шт.

24

6732-81-8410

COVER

SN: 26220701-26233996

1шт.

25

01435-00816

BOLT

SN: 26220701-26233996

4шт.

26

6201-81-6560

SPACER

SN: 26220701-26233996

4шт.

27

6732-81-8450

COVER

SN: 26220701-26233996

1шт.

28

01435-00820

BOLT

SN: 26220701-26233996

2шт.

29

6131-12-4570

SPACER

SN: 26220701-26233996

2шт.

Выбрано товаров: 29