Запчасти Komatsu SA6D102E-1C-7 КРЫШКА ТОЛКАТЕЛЕЙ КЛАПАНА(№97-) ДВИГАТЕЛЬ

Схема запчастей Komatsu SA6D102E-1C-7 - КРЫШКА ТОЛКАТЕЛЕЙ КЛАПАНА(№97-) ДВИГАТЕЛЬ
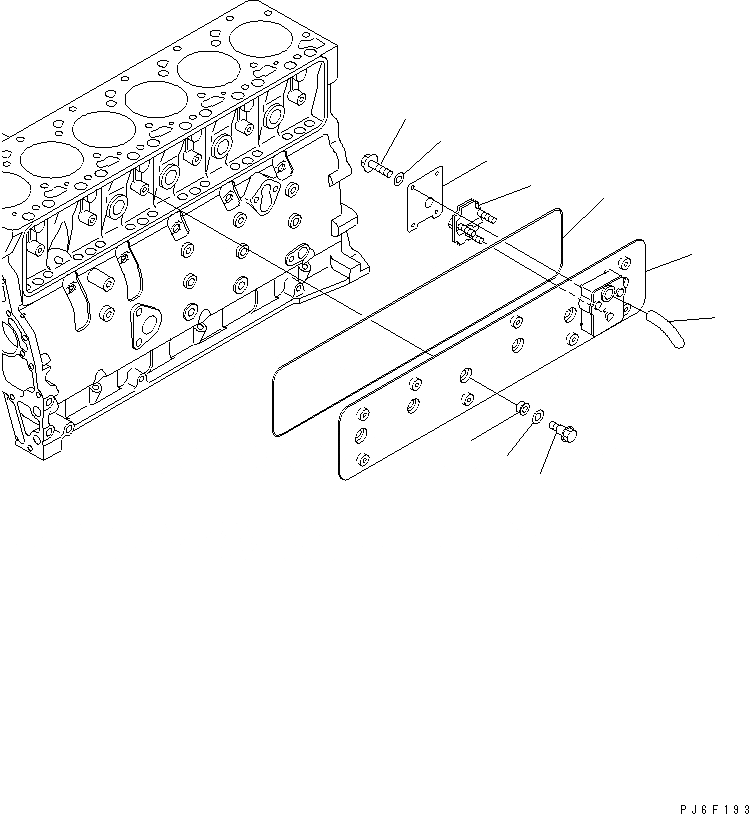
1
2
3
4
5
6
7
8
9
10
FIT
1:1
100%

Артикул

Название

Примечание

Количество

1

6732-11-8210

GASKET,SEAL

SN: 26291071-UP

6шт.

2

6732-11-8150

WASHER

SN: 26291071-UP

6шт.

3

6738-21-6280

BOLT

SN: 26291071-UP

6шт.

|$4

6738-21-6100

COVER ASS'Y

SN: 26291071-UP

1шт.

4

0

COVER

SN: 26291071-UP

1шт.

5

6738-21-7710

BREATHER

SN: 26291071-UP

1шт.

6

6738-21-7780

COVER

SN: 26291071-UP

1шт.

7

01435-00616

BOLT

SN: 26291071-UP

4шт.

8

01640-20610

WASHER

SN: 26291071-UP

4шт.

9

6738-21-7810

TUBE

SN: 26291071-UP

1шт.

10

6738-21-6180

O-RING

SN: 26291071-UP

1шт.

Выбрано товаров: 11