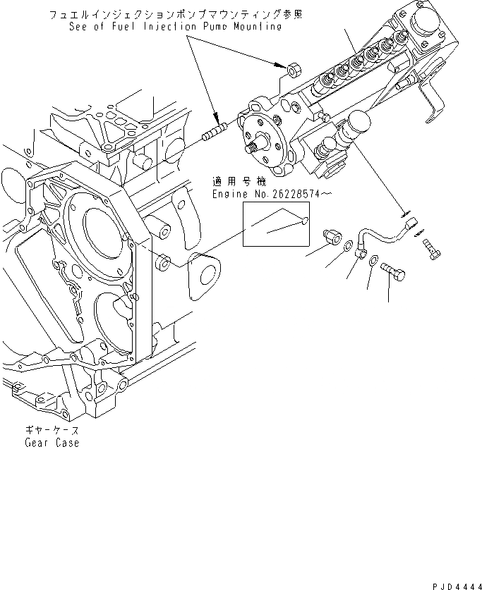
Запчасти Komatsu SA6D102E-1C-7 ТОПЛ. НАСОС И МАСЛОПРОВОДЯЩАЯ ЛИНИЯ(№-) ДВИГАТЕЛЬ

Схема запчастей Komatsu SA6D102E-1C-7 - ТОПЛ. НАСОС И МАСЛОПРОВОДЯЩАЯ ЛИНИЯ(№-) ДВИГАТЕЛЬ
1
2
3
4
4
5
6
FIT
1:1
100%

Артикул

Название

Примечание

Количество

1

6736-71-1131

INJECTION PUMP ASS'Y,(SEE FIG.A401P-02F3)

SN: 26201322-UP

1шт.

2

6732-71-5450

NIPPLE

SN: 26228574-UP

1шт.

2

6162-53-9340

NIPPLE

SN: 26201322-26228573

1шт.

3

07206-30710

BOLT,JOINT

SN: 26201322-UP

1шт.

4

07005-01012

SEAL, WASHER (K2)

SN: 26201322-UP

2шт.

5

6735-71-5411

TUBE

SN: 26201322-UP

1шт.

6

6215-81-9710

O-RING

SN: 26228574-UP

1шт.

Выбрано товаров: 7