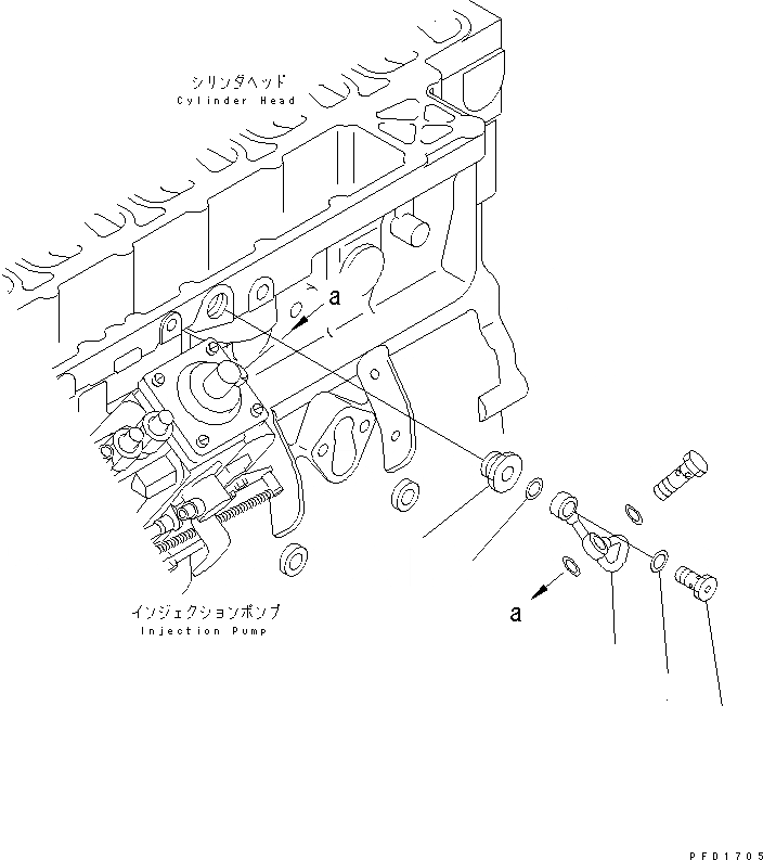
Запчасти Komatsu SA6D102E-1C-73 ТРУБКА (ФОРСИР.)(№9-) ДВИГАТЕЛЬ

Схема запчастей Komatsu SA6D102E-1C-73 - ТРУБКА (ФОРСИР.)(№9-) ДВИГАТЕЛЬ
1
2
3
4
4
FIT
1:1
100%

Артикул

Название

Примечание

Количество

1

6735-71-5460

NIPPLE

SN: 26202922-UP

1шт.

2

6735-71-5470

TUBE,BOOST

SN: 26202922-UP

1шт.

3

6732-71-6510

BOLT,JOINT

SN: 26202922-UP

1шт.

4

07005-01212

SEAL, WASHER

SN: 26202922-UP

2шт.

Выбрано товаров: 4