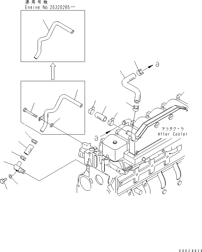
Запчасти Komatsu SA6D102E-1C-7Z ПОСЛЕОХЛАДИТЕЛЬ ВОДН. ГИДРОЛИНИЯ(№89-) ДВИГАТЕЛЬ

Схема запчастей Komatsu SA6D102E-1C-7Z - ПОСЛЕОХЛАДИТЕЛЬ ВОДН. ГИДРОЛИНИЯ(№89-) ДВИГАТЕЛЬ
1
2
3
4
4
4
4
4
4
5
6
7
7
8
9
10
FIT
1:1
100%

Артикул

Название

Примечание

Количество

1

6736-61-5231

ELBOW

SN: 26320285-UP

1шт.

1

0

ELBOW

SN: 26280094-26320284

1шт.

2

07005-01412

SEAL, WASHER

SN: 26280094-UP

1шт.

3

07040-11409

PLUG

SN: 26280094-UP

1шт.

4

07281-00289

CLAMP

SN: 26280094-UP

6шт.

5

6736-61-5220

HOSE

SN: 26280094-UP

1шт.

6

6736-61-5141

HOSE

SN: 26280094-UP

1шт.

7

6736-61-5211

TUBE

SN: 26320285-UP

1шт.

7

6736-11-4452

TUBE

SN: 26280094-26320284

1шт.

8

6732-81-6690

SPACER

SN: 26280094-26320284

1шт.

9

6736-81-8730

BOLT

SN: 26280094-26320284

1шт.

10

6736-11-4441

HOSE

SN: 26280094-UP

1шт.

Выбрано товаров: 12