Качественные детали и логистика
Оригинальные и аналоговые запчасти с доставкой по России, Казахстану и Беларуси
©2022 PartSell ООО "Система" ИНН 2463123282 ОГРН 1212400004838
Центральный офис: г. Красноярск, Академика Киренского, д.87, пом.4
Телефон: 8 (800) 777-65-74 Email: zakaz@partsell.ru
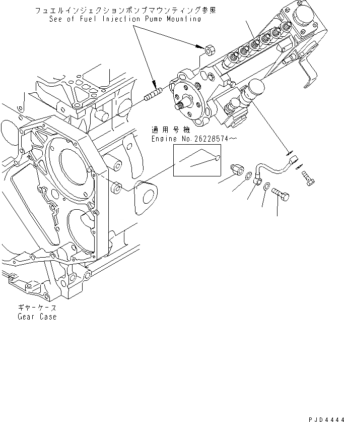
ТОПЛ. НАСОС И МАСЛОПРОВОДЯЩАЯ ЛИНИЯ(№-)
№
Артикул
Название
Примечание
Количество
1
6736-71-1131
INJECTION PUMP ASS'Y,(SEE FIG.A401P-02A2)
SN: 26201322-UP
1шт.
2
6732-71-5450
NIPPLE
SN: 26228574-UP
6162-53-9340
SN: 26201322-26228573
3
07206-30710
BOLT,JOINT
4
07005-01012
GASKET
2шт.
5
6735-71-5411
TUBE
6
6215-81-9710
O-RING
Выбрано товаров: 0