Запчасти Komatsu SA6D102E-1C ТОПЛИВН. ФИЛЬТР. КРЕПЛЕНИЕ И ПАТРУБКИ(№97-) ДВИГАТЕЛЬ

Схема запчастей Komatsu SA6D102E-1C - ТОПЛИВН. ФИЛЬТР. КРЕПЛЕНИЕ И ПАТРУБКИ(№97-) ДВИГАТЕЛЬ
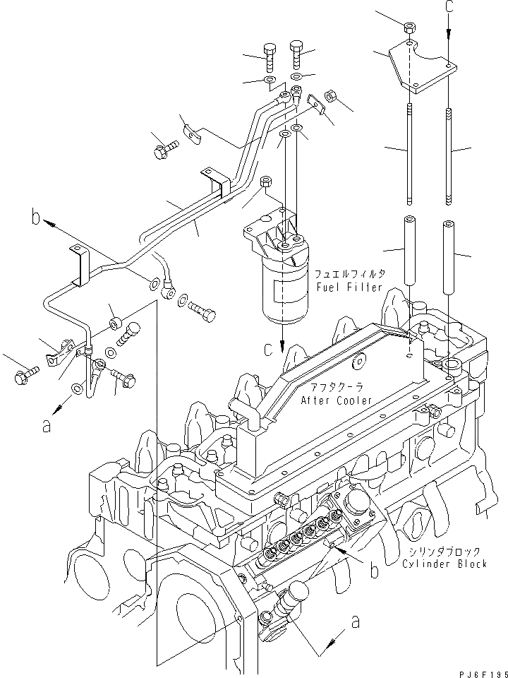
1
2
3
4
5
6
6
7
8
9
10
11
12
13
14
14
15
16
17
17
18
18
19
20
FIT
1:1
100%

Артикул

Название

Примечание

Количество

1

6736-71-6710

PLATE

SN: 26291075-UP

1шт.

2

6736-71-6720

SPACER

SN: 26291075-UP

2шт.

3

6736-71-6740

STUD

SN: 26291075-UP

2шт.

4

6736-71-6730

SPACER

SN: 26291075-UP

1шт.

5

6735-71-6740

STUD

SN: 26291075-UP

1шт.

6

01584-00806

NUT

SN: 26291075-UP

3шт.

7

6736-71-5482

TUBE

SN: 26291075-UP

1шт.

8

01435-00830

BOLT

SN: 26291075-UP

1шт.

9

6354-81-6310

SPACER

SN: 26291075-UP

1шт.

10

6736-71-5530

BRACKET

SN: 26291075-UP

1шт.

11

6736-71-5540

CLAMP

SN: 26291075-UP

1шт.

12

01435-00814

BOLT

SN: 26291075-UP

1шт.

13

07206-30812

BOLT

SN: 26291075-UP

1шт.

14

07005-01212

GASKET

SN: 26291075-UP

2шт.

15

6736-71-5490

TUBE

SN: 26291075-UP

1шт.

16

07206-30812

BOLT

SN: 26291075-UP

1шт.

17

07005-01212

GASKET

SN: 26291075-UP

2шт.

18

6212-55-8140

CLAMP

SN: 26291075-UP

2шт.

19

01435-00620

BOLT

SN: 26291075-UP

1шт.

20

01580-00605

NUT

SN: 26291075-UP

1шт.

Выбрано товаров: 20